主题中讨论的其他器件: TPSI3052
工具/软件:
TPSI3050/TPSI3052/的数据表、设计指南、应用手册等 请非常清楚该器件(系列)用于构建固态继电器或其他需要隔离的负载开关。 不过、该器件能够提供更高的开关频率、具体取决于栅极电荷和功率传输设置。
我想知道它是否可用作 BLDC 半桥 (Si-MOSFET) 的栅极驱动器、适用于需要隔离式栅极驱动器的 230V 交流应用。 集成隔离式驱动电源是一项非常好的附加功能、可减少 BOM 和应用所需的电路板面积。
将 TPSI3xxx 系列用于这些应用是否存在任何缺点、以及器件的任何参数是否会使其比正常的隔离式栅极驱动器和单独的隔离式栅极驱动器电源不利? (到目前为止,我提出的唯一问题是缺少死区时间/击穿保护)
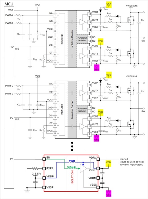
简化示例原理图:
另一个(相关)问题:
如果我要将 TPSI3050 用作一个(或多个)栅极驱动器的隔离式驱动电源 (10V)、那么我是否可以将它用作一个(或多个)栅极驱动器的隔离式驱动电源?
如果栅极电荷和开关频率不大、这可能比使用小型隔离式 DC/DC 模块为栅极驱动器供电更便宜...
简化示例原理图: