This thread has been locked.

If you have a related question, please click the "Ask a related question" button in the top right corner. The newly created question will be automatically linked to this question.

[参考译文] LM7310:当负载电流增加时、多路复用器电路不开关

Guru**** 2387080 points
请注意,本文内容源自机器翻译,可能存在语法或其它翻译错误,仅供参考。如需获取准确内容,请参阅链接中的英语原文或自行翻译。

https://e2e.ti.com/support/power-management-group/power-management/f/power-management-forum/1520835/lm7310-mux-circuit-does-not-switch-when-load-current-is-increased

器件型号:LM7310

工具/软件:

您好的团队、

我正在重新发布帖子、因为我没有收到以下主题的回复。
https://e2e.ti.com/support/power-management-group/power-management/f/power-management-forum/1516787/lm7310-mux-circuit-does-not-switch-when-load-current-is-increased/5841886#5841886

我连接了电路、但当负载电流为 50mA 时、输出在 Vin1 和 Vin2 之间切换。
但是、当负载电流增加到高于 150mA 时、LM73100 会锁存并且除非 Vin2 关闭、否则不会返回。
这是否有任何可能的原因?
当进行开关时、压降时间如下。

Vin1→Vin2 12V→6V 400ms
Vin2→Vin1 12V→4V 300ms

此致、
Ryu。

  • 请注意,本文内容源自机器翻译,可能存在语法或其它翻译错误,仅供参考。如需获取准确内容,请参阅链接中的英语原文或自行翻译。

    您好、Ryu、

    感谢您发送编修。 我不知何故失去了原来的线程。

    这看起来像是优先级更高的 Vin1 电源多路复用。 仅当 Vin1 低于 2.2V 时、Vin2 才会激活。  

    但是、当负载电流增加到 150mA 以上时、LM73100 会锁存并且除非 Vin2 关闭、否则不会返回。
    这是否有任何可能的原因?

    这不应该发生。 当 Vin1 变为高电平时、电子保险丝 2 应自动关闭。 您能告诉我、当您看到电源未转换(即 VIN2 到 VIN1)时、电子保险丝 2 OVLO 电压、电子保险丝 1 VIN。  

    此致、
    Arush

  • 请注意,本文内容源自机器翻译,可能存在语法或其它翻译错误,仅供参考。如需获取准确内容,请参阅链接中的英语原文或自行翻译。

    尊敬的 Arush:

    OVLO 电压接近 0V、在正常和异常条件之间没有变化。
    Vin1 保持为 12V。
    在正常情况下发送 VOUT、在异常情况下发送 VOUT。

    正常条件  

    异常情况  

    此致、
    Ryu。

  • 请注意,本文内容源自机器翻译,可能存在语法或其它翻译错误,仅供参考。如需获取准确内容,请参阅链接中的英语原文或自行翻译。

    您好、Ryu、

    OVLO 电压几乎为 0V

    您能否确认这是电子保险丝 2 还是电子保险丝 1 的 OVLO。 我需要电子保险丝 2 的 OVLO 电压。

    此致、
    Arush

  • 请注意,本文内容源自机器翻译,可能存在语法或其它翻译错误,仅供参考。如需获取准确内容,请参阅链接中的英语原文或自行翻译。

    尊敬的 Arush:

    从 Vin1 切换到 Vin2 时、Vin2 侧 LM73100 引脚的电势
    OVLO:97.9mV

    此致、
    Ryu。

  • 请注意,本文内容源自机器翻译,可能存在语法或其它翻译错误,仅供参考。如需获取准确内容,请参阅链接中的英语原文或自行翻译。

    尊敬的 Arush:

    请您回复。

    此致、
    Ryu。

  • 请注意,本文内容源自机器翻译,可能存在语法或其它翻译错误,仅供参考。如需获取准确内容,请参阅链接中的英语原文或自行翻译。

    尊敬的柳山:

    当 Vin2 至 Vin1 切换时会发生问题、对吗?

    客户只需首先检查两个电子保险丝的 EN 和 OVLO 是否在正确的范围内。  

    从 Vin1 切换到 Vin2 时、Vin2 侧 LM73100 侧 OVLO 引脚的电势
    OVLO:97.9mV

    当他们看到问题时、这是过渡吗? 电子保险丝 2 的 OVLO 为低电平、因此 Vin2 应开启。 OVLO 也为低电平、电子保险丝 1 的 EN 将更低、因此电子保险丝 1 将关断。

    当您看到电源未转换(即 VIN2 到 VIN1)时、您能告诉我电子保险丝 2 OVLO 电压、电子保险丝 1 VIN。  [/报价]

    您能否请客户在此处进行验证

    此致、
    Arush

  • 请注意,本文内容源自机器翻译,可能存在语法或其它翻译错误,仅供参考。如需获取准确内容,请参阅链接中的英语原文或自行翻译。

    尊敬的 Arush:

    从 Vin1 转换到 Vin2 时会发生问题。
    无论是否发生问题、Vin2 的 OVLO 电压都相同。
    Vin1 对 Vin 具有 12V 的输入、它会尝试通过关闭 Vin1 转换到 Vin2。
    它在低负载下工作。
    当负载较大时、它转换到 Vin2 一次、但再次关闭 Vin2 并转换到 Vin1、当它从 Vin1 转换到 Vin2(Vin1 关闭)时、会发生不开关的症状。

    此致、
    Ryu。

  • 请注意,本文内容源自机器翻译,可能存在语法或其它翻译错误,仅供参考。如需获取准确内容,请参阅链接中的英语原文或自行翻译。

    尊敬的柳山:

    您能要求他们降低电子保险丝 2 的 UVLO 阈值吗? 如果仅在较高的负载下发生这种情况、则我怀疑可能是由于线压降所致。

    此致、
    Arush

  • 请注意,本文内容源自机器翻译,可能存在语法或其它翻译错误,仅供参考。如需获取准确内容,请参阅链接中的英语原文或自行翻译。

    尊敬的 Arush-san:

    我尝试更改了 UVLO 电压、但结果是相同的。
    我还在轻负载条件下检查了 UVLO 电压、但结果与异常 UVLO 电压相同。

    此致、
    Ryu。

  • 请注意,本文内容源自机器翻译,可能存在语法或其它翻译错误,仅供参考。如需获取准确内容,请参阅链接中的英语原文或自行翻译。

    尊敬的柳山:

    我知道、当通过关闭 Vin1 从 Vin1 转换到 Vin2 时会发生问题。 当输出负载为 50mA 时、客户不会看到任何问题。 当负载为 150mA 时、他们会发现问题。  

    现在、我的第一个建议是由于负载较高、可能是线上压降导致了 UVLO 或 OVLO 故障、但您在上面提到过、他们检查了 UVLO 和 OVLO 引脚、并且所有电压都在限制范围内。

    所以我只能建议另外两件事是 1。) 如果问题只是启动失败、请减小 dVdt 电容。 2) 验证 Vin 和 Vout。 如果 Vout 大于 Vin、转换不会发生、因为器件将保持反向电流阻断状态。

    请告诉我、这两种方法中是否有一种能够正常工作

    此致、
    Arush

  • 请注意,本文内容源自机器翻译,可能存在语法或其它翻译错误,仅供参考。如需获取准确内容,请参阅链接中的英语原文或自行翻译。

    尊敬的 Arush-san:

    我会试一试。
    我有两个问题。
    降低 dv/dt 电容器来解决问题的原理是什么?
    如果 Vin 小于 Vout 一段时间、它是否会锁存?

    此致、
    Ryu。

  • 请注意,本文内容源自机器翻译,可能存在语法或其它翻译错误,仅供参考。如需获取准确内容,请参阅链接中的英语原文或自行翻译。

    尊敬的 Arush-san:

    我尝试了逐步降低该值、从最初的 0.01u 降低到 1000p、100p 和 Open、但没有具体的变化。

    此致、
    Ryu。

  • 请注意,本文内容源自机器翻译,可能存在语法或其它翻译错误,仅供参考。如需获取准确内容,请参阅链接中的英语原文或自行翻译。

    尊敬的柳山:

    通过改变 dVdt 电容、我们可以预期在器件启动时具有不同的压摆率。 如果器件由于较高的阻性负载而失败、则能使启动速度更快有所帮助、或者如果由于高浪涌而失败、则使启动速度变慢会有所帮助。

    如果 Vin 小于 Vout(即使片刻)、它是否会锁存?

    否、这不是锁存故障。 它将保持关断状态、直到故障保持、然后在 Vin - Vout > V Forward 阈值(约为 30mV (max)) 时出现。

    此致、
    Arush

  • 请注意,本文内容源自机器翻译,可能存在语法或其它翻译错误,仅供参考。如需获取准确内容,请参阅链接中的英语原文或自行翻译。

    尊敬的 Arush-san:

    当压摆率更改为 0.1μF 时、症状相同。
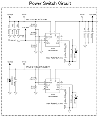
    我有如下所示的电路模块、这是原因吗?
    我想找出原因。

    此致、
    Ryu。

  • 请注意,本文内容源自机器翻译,可能存在语法或其它翻译错误,仅供参考。如需获取准确内容,请参阅链接中的英语原文或自行翻译。

    我将在下周初回到您身边。

    此致、
    Arush

  • 请注意,本文内容源自机器翻译,可能存在语法或其它翻译错误,仅供参考。如需获取准确内容,请参阅链接中的英语原文或自行翻译。

    尊敬的 Arush-san:

    我什么时候可以得到答复?

    此致、
    Ryu。

  • 请注意,本文内容源自机器翻译,可能存在语法或其它翻译错误,仅供参考。如需获取准确内容,请参阅链接中的英语原文或自行翻译。

    尊敬的 Arush:

    我是山下的一名同事。
    您的支票状态是什么?

    BR、
    Kengo。

  • 请注意,本文内容源自机器翻译,可能存在语法或其它翻译错误,仅供参考。如需获取准确内容,请参阅链接中的英语原文或自行翻译。

    Hi Kengo-San、Yamashita-San、

    我最初测试了这个问题、但在我的工作台上没有看到这个问题(下面随附了波形)、因此我要求您验证 OVLO 和 UVLO 信号值。

    我再次在工作台上使用与上述设置完全相同的设置对此进行了测试、这次在我的设置中确实失败了。 我将通道 2 的输入电容增加到 22uF 电解电容器、从而解决了问题。

    我很抱歉耽误这么多时间、并感谢你的耐心。  

    此致、
    Arush

  • 请注意,本文内容源自机器翻译,可能存在语法或其它翻译错误,仅供参考。如需获取准确内容,请参阅链接中的英语原文或自行翻译。

    尊敬的 Arush:

    感谢您的测试。
    为什么会出现此问题并解决添加输入盖的问题?

    BR、
    Kengo。

  • 请注意,本文内容源自机器翻译,可能存在语法或其它翻译错误,仅供参考。如需获取准确内容,请参阅链接中的英语原文或自行翻译。

    尊敬的 Kengo-San:

    我就此与设计团队进行了进一步讨论。 他们提到、在某些情况下、当器件关断时、在 FET 栅极关断期间、如果由于电流突然降低或导线电感而导致 Vin 电压突然跳变、或者如果 Vout 非常快地下降、FFT 比较器可能会错误地触发。 这在大多数应用中都不会发生、可以通过添加电容器来稳定电源轨来解决。 在本例中、我怀疑这是由于输入轨跳变造成的。 (比较器阈值为 350mV,因此可以触发小跳变,这很难在示波器上检测到)

    此致、
    Arush

  • 请注意,本文内容源自机器翻译,可能存在语法或其它翻译错误,仅供参考。如需获取准确内容,请参阅链接中的英语原文或自行翻译。

    尊敬的 Arush-san:

    感谢您发送编修。
    有道理。

    我将向客户汇报。

    BR、
    Kengo。