在主题中讨论的其他器件: TPS61033、TPS61022
工具/软件:
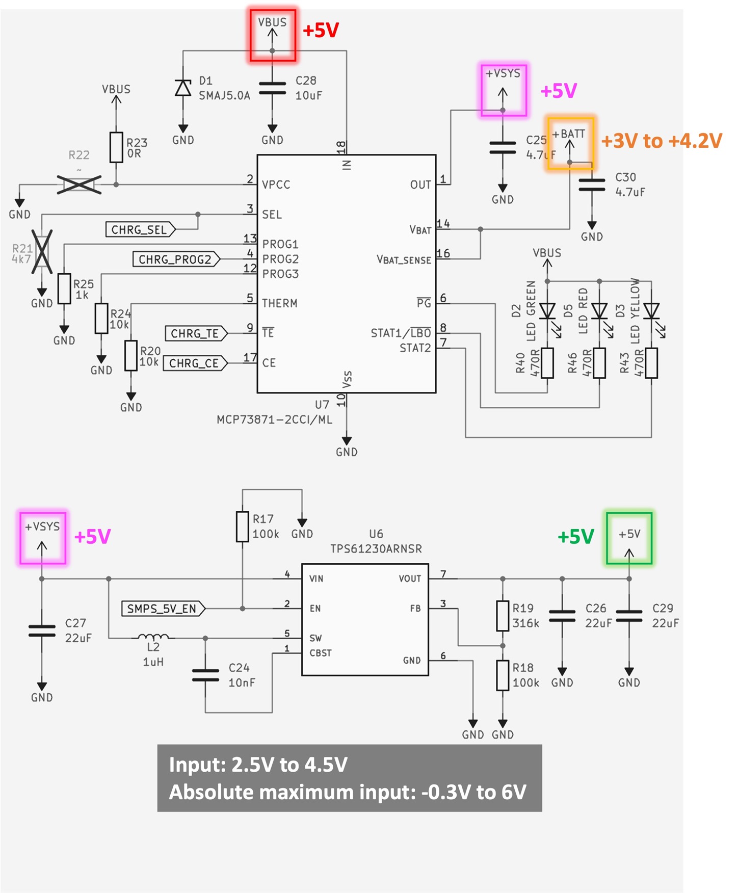
我担心 TPS61230A 的输入电压。
数据表显示输入电压范围为 2.5V 至 4.5V、但绝对最大输入范围为–0.3V 至 6V。
在我的情况下、USB 连接器的输入电压将为 5V、这是否会导致问题?
由于我使用的是 MCP73871 “负载共享和锂离子/锂聚合物电池充电管理控制器“、导致问题发生。
MCP73871 的输出(以及 TPS61230A 的输入)将为:
- USB 未连接: 输出电压将是电池电压(例如 3V 至 4.2V)
- USB 已连接: 输出电压将是 USB 电压(例如 5V)
仅连接电池时不会出现问题、但我担心连接 USB 时会发生什么情况。
它是否仍在运行或会造成损坏?
下面是我的原理图,显示了 USB 连接时的情况..


