Thread 中讨论的其他器件:AM3351、 USB2ANY
工具/软件:
尊敬的 TI 专家:
客户在互联网能源产品中使用 TPS65910A3A1RSLR+AM3351。 客户发现 VIO (BUCK) 通道存在输出问题。该器件应按如下所示输出 1.5V。 但一个电路板 VIO 输出短接至 GND。 另一块电路板 VIO 输出 1.8V 电压、 第一块电路板在没有负载时 VIO 输出 4V 电压、但在有负载时输出 2.6V:AM3351。

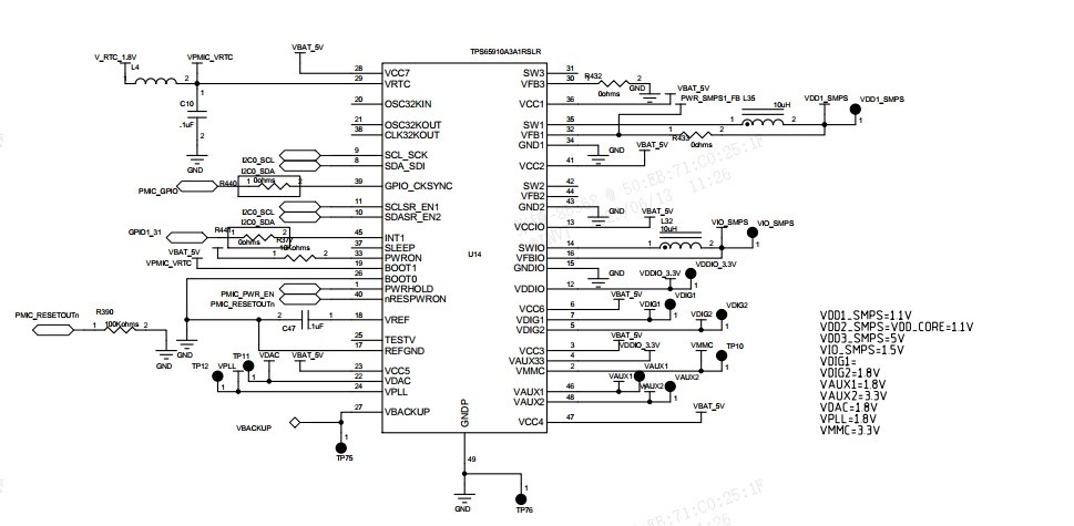
请您复习下面的原理图。

我发现 VIO (SWIO) 连接了一个 10uH 电感器。 它比 EVM 的 2.2uH 大一点。 默认输出电流为 0.5A、如下所示。

我使用 USB2ANY 读取 1 号板 TPS65910 的寄存器、0x20 地址的值为 0000 0001。
您是否认为出现问题时 VIO 输出错误电压的原因。 它用于为 DDR3 供电。
对于 DDR3、10uH 电感器是否正常、默认 0.5 是否正常?

