This thread has been locked.

If you have a related question, please click the "Ask a related question" button in the top right corner. The newly created question will be automatically linked to this question.

[参考译文] TPS25730:原理图审阅

Guru**** 2511415 points
Other Parts Discussed in Thread: TPS25730

请注意,本文内容源自机器翻译,可能存在语法或其它翻译错误,仅供参考。如需获取准确内容,请参阅链接中的英语原文或自行翻译。

https://e2e.ti.com/support/power-management-group/power-management/f/power-management-forum/1549094/tps25730-schematic-review

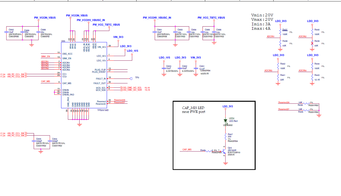
器件型号:TPS25730


工具/软件:

您好、

您是否可以帮助查看下面的  TPS25730 原理图? 谢谢!

谢谢!

Jeff

  • 请注意,本文内容源自机器翻译,可能存在语法或其它翻译错误,仅供参考。如需获取准确内容,请参阅链接中的英语原文或自行翻译。

    您好、

    即接收能力。

    最小值~最大电压:20V

    最小电流:3.

    最大电流:4.

  • 请注意,本文内容源自机器翻译,可能存在语法或其它翻译错误,仅供参考。如需获取准确内容,请参阅链接中的英语原文或自行翻译。

    尊敬的 Jeff:

    我们将尽快与您联系

    此致、

    以利亚

  • 请注意,本文内容源自机器翻译,可能存在语法或其它翻译错误,仅供参考。如需获取准确内容,请参阅链接中的英语原文或自行翻译。

    e2e.ti.com/.../Jeff_5F00_Yang_5F00_Schematic_5F00_Checklist.xlsx

    附件是一个 Excel 文件、其中包含有关引脚连接的注释。 主要要考虑的是 LDO_3V3 可用于上拉电阻器。 另一个需要考虑的是需要修改最大电压配置。  

    此致、

    以利亚