请注意,本文内容源自机器翻译,可能存在语法或其它翻译错误,仅供参考。如需获取准确内容,请参阅链接中的英语原文或自行翻译。
器件型号:TPS62871工具/软件:
您好的团队、
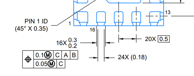
我对引脚间的距离有疑问。 下图中以红色突出显示的引脚间距离是多少?

此致、
山本俊介
This thread has been locked.
If you have a related question, please click the "Ask a related question" button in the top right corner. The newly created question will be automatically linked to this question.
工具/软件:
您好的团队、
我对引脚间的距离有疑问。 下图中以红色突出显示的引脚间距离是多少?

此致、
山本俊介