主题中讨论的其他器件:TL431-Q1、
工具/软件:
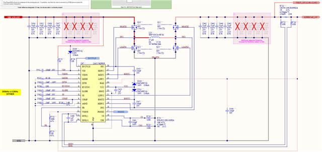
大家好、我使用 LM5176-Q1 降压/升压稳压器、使输出为 12V 超级电容器组充电、其中超级电容器为 5 个串联、每个串联一个 TL431-Q1 并联用作过压钳位、以平衡串联电容器之间的电容器。
标称输入电压= 24V。 目标输出电压= 12V。
当超级电容器电路连接到输出端时、稳压器无法导通。 它会非常缓慢地升至大约 6V、然后降至 2V 并无限期地保持该值。
当超级电容器电路断开连接时、稳压器输出会按预期立即变为 12V。
过去、我们多次使用带有超级电容器的设计中都使用此稳压器电路、但这是我们首次添加 TL431-Q1 作为过压平衡钳位。 我们 将输出电流反馈电阻器增加到 1R(以前为 0.5 Ω)、因此与我们以前的设计相比、总开通时间也增加了一倍。
我最初在超级电容器平衡电路中讨论了使用 TL431-Q1 的想法: https://e2e.ti.com/support/power-management-group/power-management/f/power-management-forum/1463751/tl431-q1-supercapacitor-balancing-circuit、 根据 TI 的仿真和反馈、认为这是一种平衡电容器的好方法。
LM5176-Q1 在非常慢的导通过程中是否存在任何稳定性问题? 其他想法可能会发生什么?








