请注意,本文内容源自机器翻译,可能存在语法或其它翻译错误,仅供参考。如需获取准确内容,请参阅链接中的英语原文或自行翻译。
器件型号:LMR43620-Q1工具/软件:
尊敬的 TI 专家:
我的客户用 LMR43620RS5QRPERQ1 制作了原理图。
他们希望将其用作 5V 固定输出。
我查看了数据表、但有一些内容不清楚、因此希望您检查原理图以了解固定 5V 输出。
请查看以下原理图、是否正确使用 R203 和 R204。

此致、
追逐
This thread has been locked.
If you have a related question, please click the "Ask a related question" button in the top right corner. The newly created question will be automatically linked to this question.
工具/软件:
尊敬的 TI 专家:
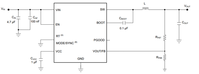
我的客户用 LMR43620RS5QRPERQ1 制作了原理图。
他们希望将其用作 5V 固定输出。
我查看了数据表、但有一些内容不清楚、因此希望您检查原理图以了解固定 5V 输出。
请查看以下原理图、是否正确使用 R203 和 R204。

此致、
追逐