你(们)好
我正在使用 BQ24040 为锂离子电池充电。
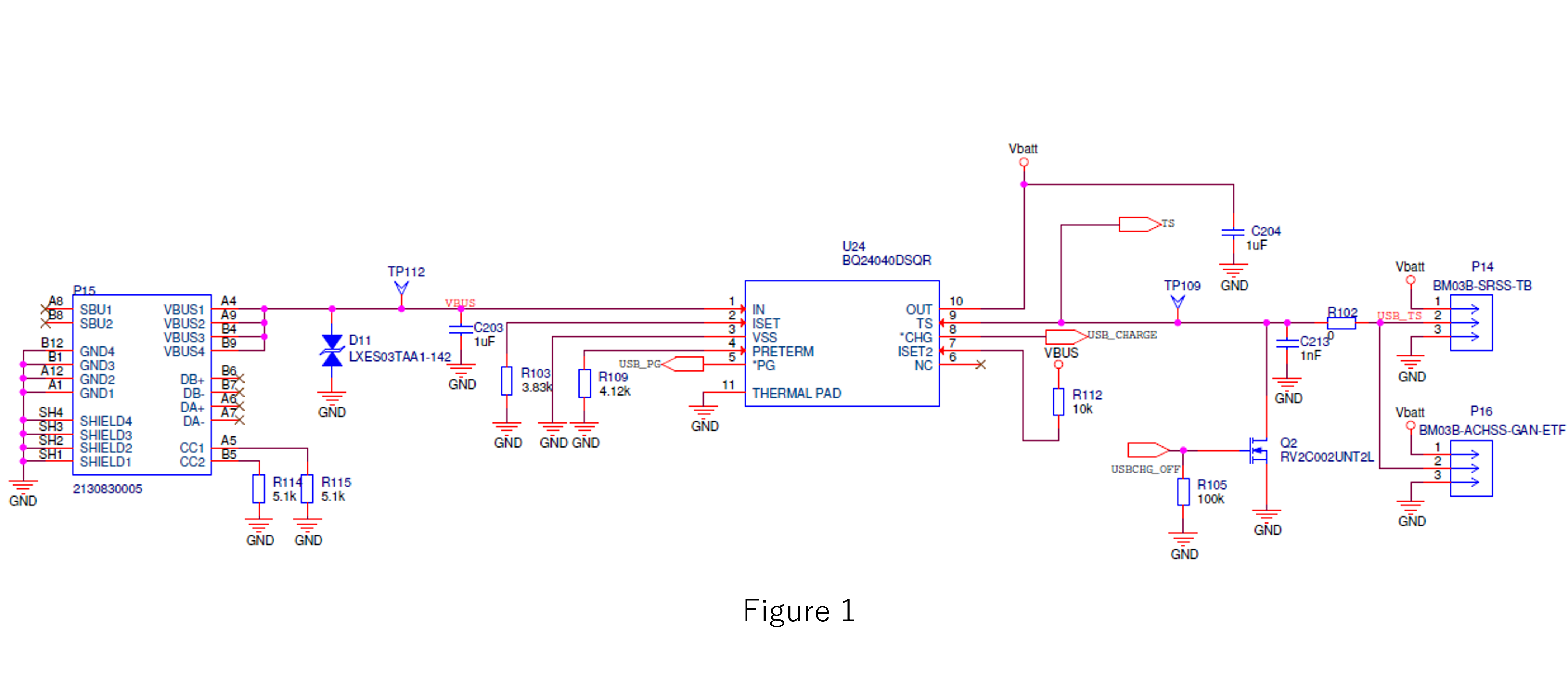
图 1 显示了电路图。
TS 引脚上连接了一个 NTC 热敏电阻 (10k Ω、B=3435)。
为了验证 TS 功能、我使用温度室进行了一项实验。
表 1 显示了实验结果。
A 列:时间
B 列:箱内温度【℃ 】
C 列:电池表面温度【℃ 】
D 列:VOUT [V]
E 列:VTS[V]
- 在 14:39:50, VOUT 下降,我相信由于高温,充电器转换到 4.06V 充电。当时 VTS 为 209.4mV。 根据数据表、转换应该在 263mV 和 293mV 之间发生。为什么数据表中存在差异?
- 在 14:39:50,当 VOUT 跌落时,VTS 也似乎同时跌落。这种行为是否正常?
- 继续充电时、VTS 降至 160mV 以下、但充电未停止。
根据数据表、当 VTS 介于 170mV 和 186mV 之间时、充电应停止。
充电未停止的原因可能是什么?
使用充电电流来监控充电状态。
此致、

