请注意,本文内容源自机器翻译,可能存在语法或其它翻译错误,仅供参考。如需获取准确内容,请参阅链接中的英语原文或自行翻译。
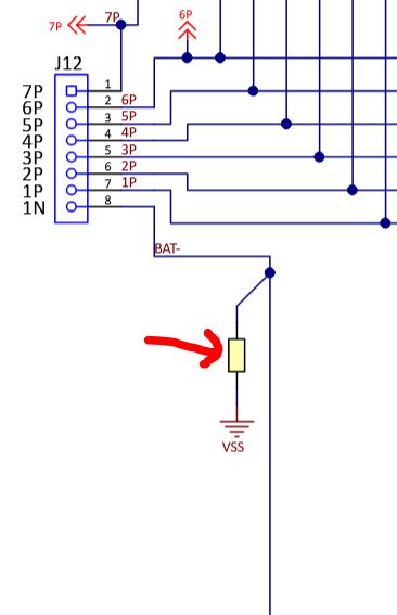
部件号:BQ40Z80EVM-020此处包含的图像显示了原理图上的保险丝轨迹。 它将 BAT-连接到 VSS、并看起来会熔断保险丝轨道、从而将电池从保护电路中取出。 此保险丝导轨的规格是什么以及所选值的原因是什么?
This thread has been locked.
If you have a related question, please click the "Ask a related question" button in the top right corner. The newly created question will be automatically linked to this question.
此处包含的图像显示了原理图上的保险丝轨迹。 它将 BAT-连接到 VSS、并看起来会熔断保险丝轨道、从而将电池从保护电路中取出。 此保险丝导轨的规格是什么以及所选值的原因是什么?