This thread has been locked.

If you have a related question, please click the "Ask a related question" button in the top right corner. The newly created question will be automatically linked to this question.

[参考译文] 如何在有两节电池的情况下构建系统

Guru**** 2393725 points
Other Parts Discussed in Thread: LM74502

请注意,本文内容源自机器翻译,可能存在语法或其它翻译错误,仅供参考。如需获取准确内容,请参阅链接中的英语原文或自行翻译。

https://e2e.ti.com/support/power-management-group/power-management/f/power-management-forum/1122509/how-to-build-a-system-with-two-batteries-present

主题中讨论的其他器件:LM74502

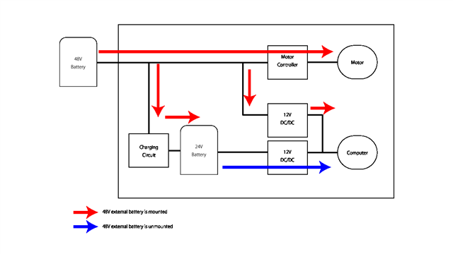
大家好、我正在研究如何构建一个包含两个不同电池的系统。

我们正在设计的机器人具有可更换 的外部48V 锂聚合物电池和 内置24V  锂聚合物 电池。

我希望实现以下目标:

安装了48V 外部电池:  为内置电池充电、 为电机和计算机供电。

未安装48V 外部电池: 仅供计算机使用

但是、我不具备构建它所需的电气知识、因此我想知道如何构建它。

如果有合适的 IC、请告诉我。

谢谢。

  • 请注意,本文内容源自机器翻译,可能存在语法或其它翻译错误,仅供参考。如需获取准确内容,请参阅链接中的英语原文或自行翻译。

    您好!

    我们正在处理这个问题、稍后将向您回复。

    谢谢

    简森

  • 请注意,本文内容源自机器翻译,可能存在语法或其它翻译错误,仅供参考。如需获取准确内容,请参阅链接中的英语原文或自行翻译。

    您好!

    对于该系统、我认为最简单的做法是使用二极管。 但这种方案的前提是计算机的电流不应过大。

    第二种解决方案是使用高侧开关+逻辑控制。 例如、LM74502可以控制开关。

    但愿这对您有所帮助。

    谢谢

    简森

  • 请注意,本文内容源自机器翻译,可能存在语法或其它翻译错误,仅供参考。如需获取准确内容,请参阅链接中的英语原文或自行翻译。

    您好!

    感谢你的答复。

    我将考虑 LM74502。

    是否有用于为上述电池充电的推荐 IC?

    谢谢

    Ichika

  • 请注意,本文内容源自机器翻译,可能存在语法或其它翻译错误,仅供参考。如需获取准确内容,请参阅链接中的英语原文或自行翻译。

    你(们)好  

    对于特定的充电 IC、您可以咨询产品线、他们可能会提出更好的建议。

    谢谢!

    简森