请注意,本文内容源自机器翻译,可能存在语法或其它翻译错误,仅供参考。如需获取准确内容,请参阅链接中的英语原文或自行翻译。
器件型号:BQ24085 主题中讨论的其他器件:BQ24086、
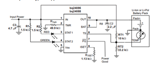
嘿,由于组件限制,我想使用 bq24085而不是 bq24086,GAP 是 NTC
因为电路板适用于 bq24086。我的原理图如下:

所以
将 不会组装 NTC
2. RT1 -将不会被组装
RT2允许的电阻是多少? 它可以是10KOHm、还是应该是接地跳线?
This thread has been locked.
If you have a related question, please click the "Ask a related question" button in the top right corner. The newly created question will be automatically linked to this question.
NIR 您好、
在 EVM 原理图中、1Mohm 下拉电阻器用于/CE 以启用 IC、我建议您使用 :www.ti.com/.../sluu305
此致、
Nick