请注意,本文内容源自机器翻译,可能存在语法或其它翻译错误,仅供参考。如需获取准确内容,请参阅链接中的英语原文或自行翻译。
器件型号:TPS22966 您好、TI 团队、
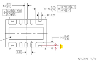
我是否还能知道下面突出显示的尺寸? 器件是 TPS22966TUPURQ1。 谢谢

This thread has been locked.
If you have a related question, please click the "Ask a related question" button in the top right corner. The newly created question will be automatically linked to this question.
您好、TI 团队、
我是否还能知道下面突出显示的尺寸? 器件是 TPS22966TUPURQ1。 谢谢
