Other Parts Discussed in Thread: UCC256404, TL431
Thread 中讨论的其他器件: TL431
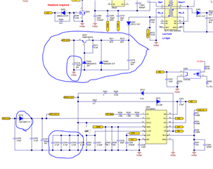
我们使用 UCC256404设计了130W LLC
IC 似乎没有启动。 我尚未组装 PFC、因为现在大容量电容器直接从整流器电桥馈电。
当交流输入电压增加时、VCC 增加并钳位至20V。 当交流输入进一步增加以将大容量电池充电至380V (BLK 启动限制)时、VCC 电压每秒斜降和上升一次。 但 RVCC 不会产生任何电压。
此外、我可以看到 HV 引脚不会下降到0V、即使线路电压超过0V、它也始终保持在20V 以上
请帮助
谢谢你


