Other Parts Discussed in Thread: LM5143
请注意,本文内容源自机器翻译,可能存在语法或其它翻译错误,仅供参考。如需获取准确内容,请参阅链接中的英语原文或自行翻译。
器件型号:LM5143-Q1 主题中讨论的其他器件:LM5143
您好 TI 团队
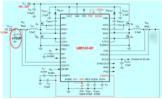
我们在两相配置中使用 LM5143。根据计算结果、我们需要440uF 的总输出电容值(考虑降级)。
因此、如图所示、在电容器的输出端放置了2 x 220uF

问题1. 我们能否在输出端仅使用470uF 的单个电容器、如图所示
。 
此致
Raheesh