Other Parts Discussed in Thread: LM7480-Q1
主题中讨论的其他器件: LM74800-Q1
您好!
我想问您有关 LM7480-Q1的问题。
在我的电路中、该器件后跟一个直流/直流转换器。
(问题)
我是否需要在该器件之后使用滤波器以避免直流/直流转换器产生噪声?
如果是、共模滤波器还是正常模式滤波器更好?
此致、

This thread has been locked.
If you have a related question, please click the "Ask a related question" button in the top right corner. The newly created question will be automatically linked to this question.
Other Parts Discussed in Thread: LM7480-Q1
您好!
我想问您有关 LM7480-Q1的问题。
在我的电路中、该器件后跟一个直流/直流转换器。
(问题)
我是否需要在该器件之后使用滤波器以避免直流/直流转换器产生噪声?
如果是、共模滤波器还是正常模式滤波器更好?
此致、

感谢你的答复。
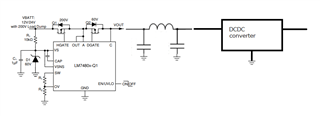
我从您的回答中看到了随附的图像、我是对的吗?
此外、该 CLC 滤波器是否对 CISPR25有效?
此外、您是否只需要正常模式滤波器而不需要共模滤波器?
另一个问题是、对于该器件的输入侧、假设 EFT/B (电气快速瞬变/突发:IEC61000-4-4)。
是否需要滤波器作为 EFT/B 的对策?
哪些滤波器(如果有)很好?
添加滤波器时、预计在负载突降期间会有大电流流动、因此存在滤波器尺寸增大的问题。
此致、

您好 Kaji、
请参阅下面的内联回答、
我从您的回答中看到了随附的图像、我是对的吗?
此外、该 CLC 滤波器是否对 CISPR25有效?
此外、您是否只需要正常模式滤波器而不需要共模滤波器?
另一个问题是、对于该器件的输入侧、假设 EFT/B (电气快速瞬变/突发:IEC61000-4-4)。
是否需要滤波器作为 EFT/B 的对策?
哪些滤波器(如果有)很好?
添加滤波器时、预计在负载突降期间会有大电流流动、因此存在滤波器尺寸增大的问题。
