BQ24725A 上是否还有其他未记录的 SMBus 寄存器、我可以使用它们进行故障排除?
我们使器件在我们的应用中正常运行。 但有时设备返回时出现问题。 例如:"不会充电"。 根据所有寄存器设置、充电应该会发生、但不会发生。 我主要发现相关误差(晶体管短路等)。
如果我可以读出状态寄存器、说明器件决定不充电的原因、那么更容易找到问题/进行修复。
是否有附加寄存器包含状态信息?
谢谢你
Johannes
This thread has been locked.
If you have a related question, please click the "Ask a related question" button in the top right corner. The newly created question will be automatically linked to this question.
BQ24725A 上是否还有其他未记录的 SMBus 寄存器、我可以使用它们进行故障排除?
我们使器件在我们的应用中正常运行。 但有时设备返回时出现问题。 例如:"不会充电"。 根据所有寄存器设置、充电应该会发生、但不会发生。 我主要发现相关误差(晶体管短路等)。
如果我可以读出状态寄存器、说明器件决定不充电的原因、那么更容易找到问题/进行修复。
是否有附加寄存器包含状态信息?
谢谢你
Johannes
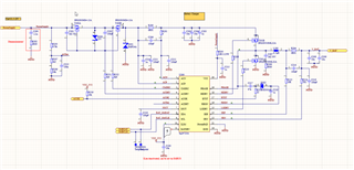
无需查看原理图。 我们的充电器实施工作正常。 拥有更多调试寄存器将对我有所帮助、修复有缺陷的电路板。 例如、在一个电路板上、R214损坏、电阻为220Ohm、而不是7R5。 因此、充电器显示为"ACOK"、充电电流设置为高值、但充电器未充电。
更换 R214后、一切都运转良好。 拥有故障排除指南或附加状态寄存器将有助于加快此类维修过程。
我添加了原理图。 如果您看到 我出现的明显错误、请向我指出。 谢谢你。 Johannes
