TPS3850
我们在项目中使用该看门狗计时器 IC。
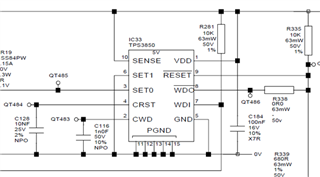
参考原理图-

使用以下设置
| 设置1 | 0 |
| SET0 | 0 |
| CRST | 10nF |
| CWD | 1nf |
根据数据表中的计算、有效窗口为18.122ms 至119.822
但是、当我们为该窗口捕获波形时、结果不匹配。
用于参考的波形快照-
黄色- WDI 信号
粉红色- WDO 信号
16ms -意外结果

100ms -意外结果

我们尝试了多个时序值、但结果与窗口计算不匹配。
因此需要尽快为该问题提供支持。
This thread has been locked.
If you have a related question, please click the "Ask a related question" button in the top right corner. The newly created question will be automatically linked to this question.
TPS3850
我们在项目中使用该看门狗计时器 IC。
参考原理图-

使用以下设置
| 设置1 | 0 |
| SET0 | 0 |
| CRST | 10nF |
| CWD | 1nf |
根据数据表中的计算、有效窗口为18.122ms 至119.822
但是、当我们为该窗口捕获波形时、结果不匹配。
用于参考的波形快照-
黄色- WDI 信号
粉红色- WDO 信号
16ms -意外结果

100ms -意外结果

我们尝试了多个时序值、但结果与窗口计算不匹配。
因此需要尽快为该问题提供支持。
您好、Prajakta、
在表8-4中、使用1nF 电容器可得到以下值的 tWDU:
其中 tWDL 为:
因此、tWDU 具有以下范围:
tWDU = 119.82ms 132.4ms 144.98ms
tWDL 范围将是:
tWDL = 14.9775ms 16.55ms 18.1225ms
请记住、计算假设是一个理想的电容器。 根据应用中使用的电容器的容差、tWDL 和 tWDU 的时间窗口边界可能与实际计算值相差很大的一个位。 因此、根据电容器值、窗口可能会更小或更大。
通过查看示波器照片、您捕获的结果可能是正确的、并且在窗口的限制范围内。
本