你(们)好
我想问、在这种情况下、如何检测延迟故障:
目前、我将 WDI 的两个下降沿之间的时间间隔设置为大约2秒、但无法测试或查看延迟故障波形。 当 WDI 不是输入时、WDO 的输出波形大约为高电平3秒、大约为0.5秒。 。 如何为此测试延迟故障?


This thread has been locked.
If you have a related question, please click the "Ask a related question" button in the top right corner. The newly created question will be automatically linked to this question.
你(们)好
我想问、在这种情况下、如何检测延迟故障:
目前、我将 WDI 的两个下降沿之间的时间间隔设置为大约2秒、但无法测试或查看延迟故障波形。 当 WDI 不是输入时、WDO 的输出波形大约为高电平3秒、大约为0.5秒。 。 如何为此测试延迟故障?


你(们)好
很抱歉、我的回答很晚、我更新了以下问题:
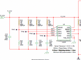
客户 TPS3850Q1原理图-

测试波形和说明:
无 WDI 输入、在 PIN8上有输出。 (您可以认识到、我们使用 MOSFET 来反转其输出电压电平、PIN'X1-4'仅表示引脚8):电源由 PNP 晶体管放大5.4V、而不是原理图中所示的3.3V。

2.当 WDI 有一个输入(通过 GPIO 2来自驱动器 IC 输出的蓝色波形)时、正确运行的阶段是正确的:

当我们要测试延迟故障条件时、 2个相邻下降沿的增量时间大约为2.56秒、并且从 WDO 输出看不到正确的延迟故障。

在原理图中、我认为它符合条件"CWD=NC、SET0=0 SET1=0"。 您能否帮助我检查它们的设计有什么问题、以及如何生成延迟故障波形? 谢谢你。
你(们)好
调整电容器后、我总结了电流情况以供您参考:
问题1:我们将 CWD 电容器更改为10nF、调整了 WDI 输入、测试的复位波形分别如下:通道1是复位波形(黄色波形)、通道2是 WDI 波形(绿色波形)、很抱歉波形不清晰、但我们仍然看不到延迟故障情况:
1. WDI 下移间隔1.43秒:

2. WDI 下移间隔1.89秒:

3. WDI 下移间隔2.27秒:

4. WDI 下移间隔2.86s:

我们可以将间隔时间提高到更高水平、同时它始终是 PWM 输出、而不像晚期故障波形;

我再次提供原理图、他们已将 CWD 电容修改为10nF:

在客户原理图设计中、它们将 RESET 和 WDO 连接在一起、输出类型是什么、低电压电平或 PWM 波形?
问题2:如果我们不提供 WDI 输入、则仍然存在具有800ms 高电压电平和300ms 低电压电平的 PWM 输出(CWD 电容为10nF):

这种现象是否正常?工作原理是什么? 这些波形是否都意味着看门狗工作异常?
我们还执行以下计算:
CWD 的电容为33nF,对应于超时计数器77.4*33*0.001+0.055=2.6 s
CRST 的电容为100nF、对应于超时计数器3.2*100*0.001=320ms
根据下图中的规格、当"喂狗"信号异常时、WDO 将被拉低。 此时、复位计数器复位并在320ms 后拉至高电平、因此高电平和低电平为2.6s 和320ms。
当与原理图复位引脚输出 PWM 波相对应的"异常喂狗"周期性信号时、这种理解是否正确?

您好、Jerry、
[引用 userid="461094" URL"~/support/power-management-group/power-management/f/power-management-forum/1027766/tps3850-q1-how-to-test-late-fault/3813775 #3813775"]在客户原理图设计中、他们将 RESET 和 WDO 连接在一起、输出类型是什么、低电压电平或 PWM 波形?由于/WDO 输出、输出应该是 PWM 波形。 如果是电压阈值故障、则该故障将类似于数据表中的时序图。 请参阅以下内容:
是的、这是正常现象、看门狗正在工作。 我在数据表中找到了这一点:
本
您好、Jerry、
请尝试这些值。
CWD 的电容为10nF、对应于超时计数器77.4 ** 0.01uF +0.055 = 829ms
CRST 的电容为1uF、对应于超时计数器3.22 * 1uF + 381us = 3.227s
如果上限为829ms、则下限将为829ms * 0.125 = 103.625ms。
tWDU = 829ms
tWDL = 103.625ms
将复位延时时间设置得非常长(3.227s)您将能够看到/WDO 晚期故障、因为当发生晚期故障时、/WDO 在3.227s 之后才会失效。
为了进行测试、请尝试使用函数发生器并将时钟信号的周期更改为 WDI 引脚。 一个少于103.625ms (典型值)的周期应该导致/WDO 被置为有效(电压低)。 较长的829ms (典型值)周期也应导致/WDO 被置为有效(电压低)。 一旦/WDO 变为低电平、它将保持低电平直到3.227s、然后/WDO 将取消置位(变为高电平)。
我在上面描述的是我如何创建一个延迟故障条件。
本
你(们)好
很抱歉出现抖动。 对两个计算方法有一点困惑:
您能否帮助我们确认 Twdu 的计算时间是否需要增加电容容容差? 我们发现、电容容容差值和无电容容容差值之间存在一些矛盾。
|
输入 |
TWDL |
TWDU |
||||||||||
|
容差 |
CWD (最小值) |
CWD (典型值) |
CWD (最大值) |
SET0 |
设置1 |
最小 |
典型值 |
最大 |
最小 |
典型值 |
最大 |
|
|
10.00% |
4.23nF |
4.70nF |
5.17nF |
1 |
1 |
0.154秒 |
0.182秒 |
0.209s |
0.308秒 |
0.364秒 |
0.418 s |
使用典型值进行计算 |
|
10.00% |
4.23nF |
4.70nF |
5.17nF |
1 |
1 |
0.138秒 |
0.182秒 |
0.230秒 |
0.277秒 |
0.364秒 |
0.460s |
使用了典型值+电容容容差计算 |
|
该超时实际上是在0.436s 后报告的。 |
||||||||||||
您好、Jerry、
数据表中的公式假定了理想的电容器值。 计算复位或 WDO 延时时间时时、可能需要包括电容器容差以确定实际的最小和最大延迟时间。
与数据表中的复位延时时间最小值和最大值等式4和5一样、等式6也将具有最小值和最大值。 ICWD 和 VCWD 会有变化、您可以在电气特性表中找到这些变化。 请参阅以下内容:
方程式应该是
I = C *(dv/dt)其中
DT =(C/I)* dv+0.055
上面的(dt)公式应该有助于您计算随电容器变化而变化的时间。
我希望我已经回答了你的问题。
本