Other Parts Discussed in Thread: UCD90120
尊敬的专家
能否告诉我 dsconnect R45,下载正常,为什么没有输出?
这是我们的诗意:


这就是我们配置的全部三个方面:



This thread has been locked.
If you have a related question, please click the "Ask a related question" button in the top right corner. The newly created question will be automatically linked to this question.
尊敬的 Yihe
我们的 C14项目使用 UCD90120ARGC 来监控 FPGA 的电源时序和电源参数、但电流配置无法控制电源使能。
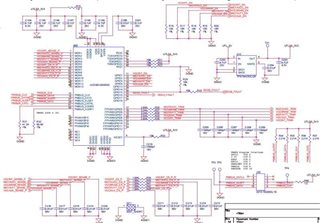
请参阅随附的 SCH 两张图片、其中 SCH-1是 UCD90120、SCH-2是电源
e2e.ti.com/.../SCH_2D00_design.rar
在当前测试中、只配置了一个通道 VCCINT。但是、在配置完成且所有下载正常后、电源 VCCINT 没有输出。(出于安全考虑、 R45从后部电路上拆下并断开;其余电源与断开后部级的连接相同)
是否还有其他需要配置的东西、只需单个输出、还没有在电源轨配置中配置时序。
请参阅配置文件的附件。0811-4CH 除 VCCINT 外单独配置、0824-1CH-U13分别配置为 VCCINT。


