你(们)好
下面是开始处的波形 、下一个波形是中间放大率。
为什么 VDS 超过?
请告诉我是否有改进的方法。
条件-
输入:15~20V
输出:5V
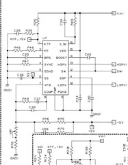
-sch-
谢谢
This thread has been locked.
If you have a related question, please click the "Ask a related question" button in the top right corner. The newly created question will be automatically linked to this question.
你(们)好
下面是开始处的波形 、下一个波形是中间放大率。
为什么 VDS 超过?
请告诉我是否有改进的方法。
条件-
输入:15~20V
输出:5V
-sch-
谢谢
尊敬的 David:
占空比与15-20V 输入和5V 输出不一致(其中 D =降压稳压器的 Vout/Vin)。 请检查您的设计- https://www.ti.com/product/TPS40055#design-development##design-tools-simulation 上提供了计算器工具
此致、
Tim
你(们)好
我还有一个问题。
1.如果是工作问题,我应该在哪里解决?
例如、修改零件值或更改 L 值。
2.根据附件,异常波形的最大电压为 Vgs 的2V。
出什么问题了?
3.如果您查看附加文件中的波形、则正常和异常之间存在差异。 您为什么这么做?e2e.ti.com/.../6354.waveform.pdf
你(们)好
我回答如下。
车尾箱盖:100nF
FET:FDMS8333L
L201:3.3 μ H
BP10=>9.4V
e2e.ti.com/.../3187.mosfet-sch.pdf
谢谢
尊敬的 David:
这是-5V 输出、因此它配置为反相降压/升压(IBB)。 请通过仿真或计算检查稳定性。 使用电压模式控制时、Ibb 补偿较为困难、而具有 ESR 的高 Cout 有助于实现补偿。
以下是 IBB 的应用手册 :https://www.ti.com/lit/an/snva856a/snva856a.pdf
此外、对于3A 输出、MOSFET 具有很低的 Rdson 和高 Qg (2、4m Ω 和46nC)。 考虑使用更高的 Rdson 以获得更高的效率、尤其是当 Fsw 较高时(上图中显示为500kHz)
此致、
Tim