This thread has been locked.

If you have a related question, please click the "Ask a related question" button in the top right corner. The newly created question will be automatically linked to this question.

[参考译文] UCC256403:使用 UCC25640x 设计计算器为宽范围输出电压应用设计 HB-LCC

Guru**** 2538950 points
Other Parts Discussed in Thread: UCC256403, UCC28951

请注意,本文内容源自机器翻译,可能存在语法或其它翻译错误,仅供参考。如需获取准确内容,请参阅链接中的英语原文或自行翻译。

https://e2e.ti.com/support/power-management-group/power-management/f/power-management-forum/1035067/ucc256403-design-hb-lcc-for-wide-range-output-voltage-application-by-using-ucc25640x-design-calculator

器件型号:UCC256403
主题中讨论的其他器件: UCC28951

尊敬的 TI 专家:

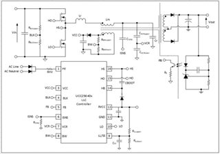
我正在考虑为我们的项目使用具有 ucc256403控制器的 HB-LCC 转换器。 转换器原理图应如下所示( 屏幕截图):  

转换器的规格如下所示:

直流输入: Vin_min=272V;Vin_nom=320V;  Vin_max=368V

直流输出:Vout_min = 102V (Iout_min = 2、2a);Vout_max = 370V (Iout_max = 5A)

我正在尝试使用 TI Excel-Tool UCC25640x 设计计算器来配置转换器。 因为在我们的情况下、输出电压在 ca 的宽范围内变化。 100V 至370V。

 TI Excel-Tool  UCC25640x 设计计算器的输出电压的输入场单元是固定的。 在我的案例中、我不知道如何 使用 UCC25640x 设计计算器工具处理宽范围输出电压。   

   通过使用 TI UCC25640x 设计计算器进行多个案例研究(变压器匝数比等于0.7),UCC25640x 设计计算器将按照以下设计结果分别获得最小输出电压100V 和最大输出电压370V (请参见随附的屏幕截图):

输出电压=100V:

输出电压=370V:

 

您能否帮助检查以下问题:

1. 在将 HB-LCC 与 UCC256403结合使用的天气条件下、可满足上述宽范围输出电压要求。  

2.如何 使用 UCC25640x 设计计算器工具来满足宽范围输出电压要求的设计。 或者、在本例中、TI 是否有其他设计工具。

非常感谢。

BR。

  • 请注意,本文内容源自机器翻译,可能存在语法或其它翻译错误,仅供参考。如需获取准确内容,请参阅链接中的英语原文或自行翻译。

    徐您好、

    感谢您与我们联系。 对于如此宽的输出电压和功率范围、相移全桥控制器将是理想的解决方案。 请参阅 UCC28951数据表(UCC28951数据表、产品信息和支持|德州仪器 TI.com)。 谢谢你。

    此致

    曼尼甘塔 P

  • 请注意,本文内容源自机器翻译,可能存在语法或其它翻译错误,仅供参考。如需获取准确内容,请参阅链接中的英语原文或自行翻译。

    您好、Manikanta、

    非常感谢您的回复。 甚至 UCC28951+PSFB 也更适合这种情况。 由于成本和复杂性原因、HB-LLC 是首选 。  我的问题是如何使用 UCC256403对 HB-LLC 进行仿真、以及如何使用"UCC25640x 设计计算器工具"配置我们的设计。

  • 请注意,本文内容源自机器翻译,可能存在语法或其它翻译错误,仅供参考。如需获取准确内容,请参阅链接中的英语原文或自行翻译。

    徐您好、

    我们的 LLC 控制器(UCC25630x、UCC25640x)不支持如此高的输出电压范围和额定功率。 如前所述、对于此类输出电压范围和输出功率范围、建议使用 PSFB。  

    此致

    曼尼甘塔 P