This thread has been locked.

If you have a related question, please click the "Ask a related question" button in the top right corner. The newly created question will be automatically linked to this question.

[参考译文] TPS62177:24V 直流电压用作 VIN 时发生灾难性故障

Guru**** 2502205 points
Other Parts Discussed in Thread: TPS62177

请注意,本文内容源自机器翻译,可能存在语法或其它翻译错误,仅供参考。如需获取准确内容,请参阅链接中的英语原文或自行翻译。

https://e2e.ti.com/support/power-management-group/power-management/f/power-management-forum/980583/tps62177-catastrophic-failure-when-24vdc-applied-as-vin

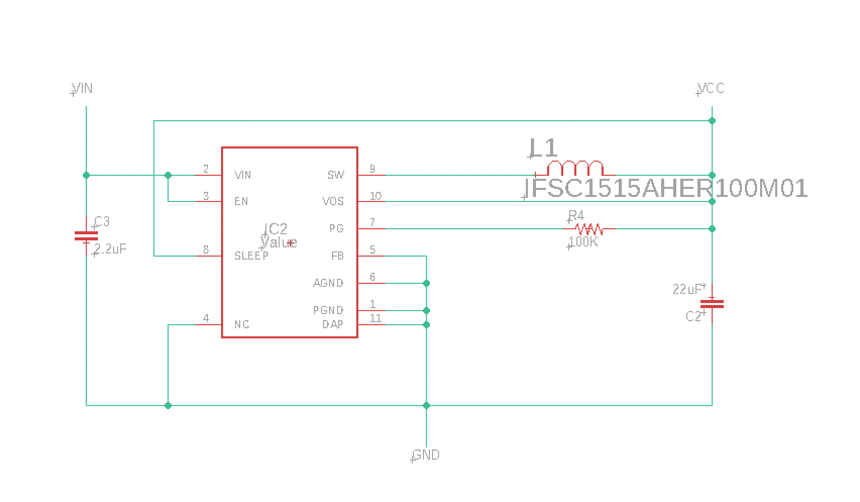
器件型号:TPS62177

我使用 TPS62177的设计中、稳压电源适配器的输入电压为24VDC (曲折型 GS220A24)。 最大输出电流约为250mA @ 3.3V。 我使用了数据表中的标准设计和元件值:2.2uF/50V 输入电容、10uH/1.3A 电感器、22uF/6.3V 输出电容。 在多种情况下、当施加24 VDC 输入电压或在通电一段时间后、TPS61277器件似乎停止工作、甚至发生爆炸。 这是一个由大约200个模块组成的系统、每个模块包含一个 TPS62177、所有模块均连接到相同的24 VDC 电源。 我想知道所有这些同时运行的降压转换器的一些副作用是否会导致输入电压纹波超过28VDC 最大额定值? 其他什么可能导致这种情况? 通过将单个电路板连接到工作台电源、我成功地在 TPS62177中烧开了一个孔、唯一的不合规之处是测试导线在端子上跳过了一个位。

  • 请注意,本文内容源自机器翻译,可能存在语法或其它翻译错误,仅供参考。如需获取准确内容,请参阅链接中的英语原文或自行翻译。

    大家好、  

    您可以向我们分享原理图和布局吗? 谢谢。

  • 请注意,本文内容源自机器翻译,可能存在语法或其它翻译错误,仅供参考。如需获取准确内容,请参阅链接中的英语原文或自行翻译。

    尊敬的 Vincent:

    原理图如下:

    下面是带有稳压器的 PCB 的一部分。 红色覆铜(顶层)是 VCC (稳压器的输出)蓝色底层主要是 GND 覆铜、有一些遍历的数据布线。 GND 通过多个过孔上拉到顶层。

    C2为22uF/6.3V、C3为2.2uF/50V、L1为10uH/1.3A、R4为100K (可能不需要、因为我不使用 PG 信号)。

    该电路在12VDC 输入下工作正常。 当我逐渐将电压增加到24VDC 时、它将继续工作。 但是、如果我在电压已设置为24VDC 的情况下连接电源、或者快速断开/重新连接(如弹跳)输入电源、我可以将稳压器炸(请参阅下图中的器件孔)、有时还会在 C3中烧一个孔或完全炸 (仅当超过该电容器的50V 额定电压时才能实现)。 电压双重检查、极性双重检查、这种情况在多个单独的设置上发生(几乎可以排除故障设备)。

  • 请注意,本文内容源自机器翻译,可能存在语法或其它翻译错误,仅供参考。如需获取准确内容,请参阅链接中的英语原文或自行翻译。

    大家好、

    如果您使用24V 电压快速连接、则输入侧将出现尖峰、超过 TPS62177工作电压。 在布局方面、我建议在 VIN-GND 引脚附近添加0.1uF 陶瓷电容器。

  • 请注意,本文内容源自机器翻译,可能存在语法或其它翻译错误,仅供参考。如需获取准确内容,请参阅链接中的英语原文或自行翻译。

    尊敬的 Vincent:

    我肯定可以尝试添加0.1uF 陶瓷电容、但尖峰能够将 TPS (VIN 上具有30V 的绝对最大额定值)和50V 额定输入电容结合起来似乎非常疯狂?

    我也可以使用更低的输入电压、例如12V、但与最大额定值相比、这会给我留下足够的余量吗? 我的意思是、如果连接24VDC PSU 可能导致50V+尖峰、我想12VDC 可能导致至少2倍的尖峰? (笑声) 这可能在额定值范围内。

    此外、我对该尖峰的来源感到好奇。 这是由稳压器及其启动方式造成的吗? 我将睡眠连接到 VOUT、将 EN 连接到 VIN。 这是正确的方法吗?

    谢谢!

    Mads

  • 请注意,本文内容源自机器翻译,可能存在语法或其它翻译错误,仅供参考。如需获取准确内容,请参阅链接中的英语原文或自行翻译。

    您好、Mads、

    我认为您可以测量输入尖峰(具有全带宽)以检查尖峰的大小、可能从12V 开始。 您是否也看到50V 输入电容器损坏? 我的观点是、即使是50V 输入电容器也是安全的、但 TPS62177会受到损坏、因为它仅支持28V 电压。

    我认为 EN 未绑定到 VIN、而 SLEEP 绑定到 VOUT 可以帮助解决该问题。

  • 请注意,本文内容源自机器翻译,可能存在语法或其它翻译错误,仅供参考。如需获取准确内容,请参阅链接中的英语原文或自行翻译。

    我将输入电压降至12V、问题似乎已经解决。 在某些情况下、当使用24V 输入电压时、我确实看到额定电压为50V 的电容器以及 TPS62177爆炸。 在某些情况下、仅仅是稳压器自身烧坏了一个孔洞。 对于未来的设计、我将按照您的建议在输入端添加0.1uF 电容器。