Other Parts Discussed in Thread: LMR33630
请注意,本文内容源自机器翻译,可能存在语法或其它翻译错误,仅供参考。如需获取准确内容,请参阅链接中的英语原文或自行翻译。
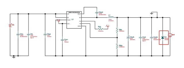
器件型号:LMR33630 您好!
我设计了一个采用 LMR33630且 WEBENCH 为15V 至-12V 的电路、
但我们不知道二极管的作用是什么?

下面是基于仿真的电路、请帮助检查是否有任何问题。

This thread has been locked.
If you have a related question, please click the "Ask a related question" button in the top right corner. The newly created question will be automatically linked to this question.