This thread has been locked.

If you have a related question, please click the "Ask a related question" button in the top right corner. The newly created question will be automatically linked to this question.

[参考译文] USB-PD-CHG-EVM-01:关于笔记本电脑的电源

Guru**** 2382480 points
Other Parts Discussed in Thread: USB-PD-CHG-EVM-01, TPS25750, BQ25792, TUSB564RNQEVM, TUSB564
请注意,本文内容源自机器翻译,可能存在语法或其它翻译错误,仅供参考。如需获取准确内容,请参阅链接中的英语原文或自行翻译。

https://e2e.ti.com/support/power-management-group/power-management/f/power-management-forum/1108986/usb-pd-chg-evm-01-about-power-supply-to-laptop-pc

器件型号:USB-PD-CHG-EVM-01
主题中讨论的其他器件: TPS25750BQ25792USB-C-PD-DUO-EVMTUSB564RNQEVMTUSB564

您好!

我尝试使用 USB-PD-CHG-EVM-01作为电源为笔记本电脑供电

所示的配置进行了比较。

但是、我遇到了麻烦、因为它不能按预期工作。 你能给我一些建议吗?

所需的行为

连接 USB 电缆和电池后、请为笔记本电脑供电。

拉电流/灌电流能力设置如下。

-源功能

   拉电流 PDO 数量=3.

   拉电流 PDO1=5V/3A

   拉电流 PDO2=9V/3A

   拉电流 PDO3=15V/3A

灌电流能力

   灌电流 PDO 数量=0

现象

案例1

如果先连接电池、然后再连接 USB 电缆、则似乎可以为 PC 供电、

但 VBUS 电压在0-5V 之间是间歇性的。此时 STAT LED 不亮。 请参见案例1波形图。

案例2

当先连接 USB 电缆、然后连接电池时、VBUS 电压变为恒定的5V、

但是、由于电池没有放电、因此似乎没有为 PC 供电。

此时、STAT LED 闪烁(1.4秒周期)。 请参见案例2波形图。

随附以下内容。
由 TPS25750 Application Customization Tool v7.0.2生成的配置文件(json)。

  • 请注意,本文内容源自机器翻译,可能存在语法或其它翻译错误,仅供参考。如需获取准确内容,请参阅链接中的英语原文或自行翻译。

    您好!

    您能否从 BQ25792中读取所有寄存器并将其报告给我?

    此致、

    Mike Emanuel

  • 请注意,本文内容源自机器翻译,可能存在语法或其它翻译错误,仅供参考。如需获取准确内容,请参阅链接中的英语原文或自行翻译。

    您好 Mike

    感谢您联系我。
    发送 BQ25792的寄存器读数以及无法发送的 json 文件。
    将 EVM 的 JP1设置为3、设置为"3S"。 JP4很短。

    谢谢、此致、
    东泽武

    e2e.ti.com/.../attach.zip

  • 请注意,本文内容源自机器翻译,可能存在语法或其它翻译错误,仅供参考。如需获取准确内容,请参阅链接中的英语原文或自行翻译。

    你好、Takeshi、

    很遗憾、我无法读取.bin 文件。 您可以用 Excel 格式发送它吗?

    此致、

    Mike Emanuel

  • 请注意,本文内容源自机器翻译,可能存在语法或其它翻译错误,仅供参考。如需获取准确内容,请参阅链接中的英语原文或自行翻译。

    尊敬的 Mike:

    以 Excel 格式发送数据。

    此致、
    东泽武

    e2e.ti.com/.../1462.BQ25792read.xlsx

  • 请注意,本文内容源自机器翻译,可能存在语法或其它翻译错误,仅供参考。如需获取准确内容,请参阅链接中的英语原文或自行翻译。

    你好、Takeshi、

    根据您的 REG12、OTG 未启用。 您能看到启用 OTG 时会发生什么情况吗?

    此致、

    Mike Emanuel

  • 请注意,本文内容源自机器翻译,可能存在语法或其它翻译错误,仅供参考。如需获取准确内容,请参阅链接中的英语原文或自行翻译。

    尊敬的 Mike:

    这是重写 REG12 EN_OTG = 1h 的结果。

    不幸的是,这一运动似乎与上次没有改变。

    随附了寄存器的读取结果。 关于寄存器的读取值、上次显示的数据中存在错误。

    我已再次读取它、因此我将发送它、包括结果。

    此外、当重写 EN_OTG = 1h 时、似乎存在重写其他寄存器值的现象。 这是正确的操作吗?

    也请参阅此处随附的文件。

    此致、

    东泽武

    e2e.ti.com/.../BQ25792read_5F00_0616.xlsx

  • 请注意,本文内容源自机器翻译,可能存在语法或其它翻译错误,仅供参考。如需获取准确内容,请参阅链接中的英语原文或自行翻译。

    尊敬的 Mike:

    我经常很抱歉。 添加数据。

    重新写入寄存器值后、该值似乎在连接到笔记本电脑后发生变化。

    是否由 TPS25750重写?

    此致、

    东泽武

    e2e.ti.com/.../BQ25792read_5F00_0616_2D00_2.xlsx

  • 请注意,本文内容源自机器翻译,可能存在语法或其它翻译错误,仅供参考。如需获取准确内容,请参阅链接中的英语原文或自行翻译。

    你好、Takeshi、

    您是否使用最新版本的 GUI? 旧 GUI 将1s 写入寄存器0x0A 中的电芯位、我在这里看到。 这会使3节电池的电压过高、高于新的稳压电压(VBAT_OVP)、并会阻止 OTG 在5V 以外的合同下工作。您能否启用 ADC 并告诉我设置的电池电压?

    此致、

    Mike Emanuel

  • 请注意,本文内容源自机器翻译,可能存在语法或其它翻译错误,仅供参考。如需获取准确内容,请参阅链接中的英语原文或自行翻译。

    尊敬的 Mike:

    使用的 GUI 版本为7.0.2。

    dev.ti.com/.../

    如果有更新版本、您能给我一些信息吗?

    我们稍后将通知您电池电压。

    此致、

    东泽武

  • 请注意,本文内容源自机器翻译,可能存在语法或其它翻译错误,仅供参考。如需获取准确内容,请参阅链接中的英语原文或自行翻译。

    尊敬的 Mike:

    所连接电池的 ADC 值为2E30h (万用表测得的值= 11.85V)。

    *读取寄存器0x3B 的值

    此致、

    东泽武

  • 请注意,本文内容源自机器翻译,可能存在语法或其它翻译错误,仅供参考。如需获取准确内容,请参阅链接中的英语原文或自行翻译。

    你好、Takeshi、

    如果您的寄存器0x0A 为0x00、则会导致 BAT_OVP、因为稳压电压将为4.2V、电池电压为11.85V。

    请使用 GUI 版本7.0.3、如下所示: https://dev.ti.com/gallery/info/USBPD/TPS25750_Application_Customization_Tool

    链接来自 TPS25750产品页面。

    此致、

    Mike Emanuel

  • 请注意,本文内容源自机器翻译,可能存在语法或其它翻译错误,仅供参考。如需获取准确内容,请参阅链接中的英语原文或自行翻译。

    尊敬的 Mike:

    很抱歉我迟到了。 您能再多帮些吗?

    这是为每个 GUI 版本创建配置文件并读取寄存器0x0A 的结果。

    1 GUI 工具 v7.0.2

    -跳线设置"2S"

    当使用 Type-C 电缆连接到 PC 时、REG0Aread 值= 0x63h 更改为0x00h。

    -跳线设置"3s"

    当使用 Type-C 电缆连接到 PC 时、REG0Aread 值= 0xA3h 更改为0x00h。

    -跳线设置"4S"

    当使用 Type-C 电缆连接到 PC 时、REG0Aread 值= 0xE3h 更改为0x00h。

    2 GUI 工具 v7.0.3

    -跳线设置"2S"

    当使用 Type-C 电缆连接到 PC 时、REG0Aread 值= 0x63h、

    由于通信错误、无法读取。 (I2C_SCL 卡在低电平)

    -跳线设置"3s"

    REG0Aread 值= 0xA3h 当使用 typedC 电缆连接到 PC 时、

    由于通信错误、无法读取。 (I2C_SCL 卡在低电平)

    -跳线设置"4S"

    当使用 Type-C 电缆连接到 PC 时、REG0Aread 值= 0xE3h、

    由于通信错误、无法读取。 (I2C_SCL 卡在低电平)


    通过这种方式、使用 v7.0.3、I2C 通信在连接到 PC 时似乎异常。

    此外、即使我使用 v7.0.3创建了配置文件并使用"3s"设置检查了该操作、

    到目前为止、它似乎与间歇性操作没有变化。

    如果您有任何想法、请给我一些建议吗?

    这是在未进行任何修改的情况下在其初始状态下使用 EVM 的结果、

    因此、我认为我的用法可能有问题。

    我想将 EVM 完全恢复到初始状态一次。 是否可以呈现初始配置文件?

    同时、是否可以创建符合我们规格的配置文件?


    此致、

    东泽武

  • 请注意,本文内容源自机器翻译,可能存在语法或其它翻译错误,仅供参考。如需获取准确内容,请参阅链接中的英语原文或自行翻译。

    尊敬的 Mike:

    操作步骤如下。

    使用 GUI 工具设置配置。 生成 bin 文件("生成完整闪存二进制文件")。

    将 SHORT 引脚连接到 EVM 跳线 JP2 ("3s"设置)。

    将 FlashROM 写入工具连接到 EVM、并将电池(大约12V)连接到 J2、然后写入 bin 并验证检查。

    如果没有错误、请取出电池和书写工具。

    等待至少30秒、然后将电池重新连接到 J2并运行 EVM。

    之后、使用 USB 电缆连接到 PC。

    我们将向您发送由 GUI 工具 v7.0.3创建的 JSON 文件。

    此致、

    东泽武

    e2e.ti.com/.../7183.config.zip

  • 请注意,本文内容源自机器翻译,可能存在语法或其它翻译错误,仅供参考。如需获取准确内容,请参阅链接中的英语原文或自行翻译。

    你好、Takeshi、

    您能给我发送配置 GUI 的图片吗? 此外、J4的状态是什么? 是否已插入? 如果不需要、则需要提供外部热敏电阻。

    此致、

    Mike Emanuel

  • 请注意,本文内容源自机器翻译,可能存在语法或其它翻译错误,仅供参考。如需获取准确内容,请参阅链接中的英语原文或自行翻译。

    尊敬的 Mike:

    发送 GUI 设置屏幕。 J4开路、但 JP4设置为短路。

    此致、

    东泽武

    e2e.ti.com/.../GUI-settings.xlsx

  • 请注意,本文内容源自机器翻译,可能存在语法或其它翻译错误,仅供参考。如需获取准确内容,请参阅链接中的英语原文或自行翻译。

    尊敬的 Mike:

    我学到了一件事、因此我将与大家分享。

    我有一个 Infineon 桶形连接器更换评估套件 CY4533。

    这是一个只能用于功率接收器的套件。

    www.infineon.com/.../

    当此套件和 USB-PD-CHG-EVM-01使用 Type-C 电缆连接时、但使用 GUI 工具 v7.0.2进行设置时、会出现这种情况

    根据拉电流 PDO 设置、电压5V/9V/15V 似乎可以从 USB-PD-CHG-EVM-01输出。

    在 v7.0.3情况下、可输出5V 电压、但对于9V/15V 请求、它似乎是0-5V 间歇性运行。

    *所有这些都已确认无负载。

    由于 GUI 工具版本的差异而导致的行为差异仍然是值得关注的问题。

    我最终希望使用 TPS25750为笔记本电脑等双角色电源设备供电。

    在这里、TPS25750的功率角色是 DRP 和灌电流。

    在将一个功率接收器件连接到这个器件的情况下、发现它可以如上所述正常运行。

    另一方面、在连接 DRP 器件的情况下、目前尚未找到正常运行的条件。

    从这些方面来看、我想知道 TPS25750是否可以通过将其连接到 DRP 器件来用作电源操作。 怎么样?

    此致、

    东泽武

  • 请注意,本文内容源自机器翻译,可能存在语法或其它翻译错误,仅供参考。如需获取准确内容,请参阅链接中的英语原文或自行翻译。

    你好、Takeshi、

    您能否向我发送 BQ25792每种情况的寄存器转储、以便我更好地了解问题? 请为 BQ25792启用 ADC。

    此致、

    Mike Emanuel

  • 请注意,本文内容源自机器翻译,可能存在语法或其它翻译错误,仅供参考。如需获取准确内容,请参阅链接中的英语原文或自行翻译。

    尊敬的 Mike:

    感谢您的支持。

    发送了一个 BQ25792寄存器转储。

    使用 GUI 工具 v7.0.3创建配置数据时

    连接 CY4533时、I2C_SCL 似乎一直处于低电平。

    无法读取寄存器值。

    相反、当 CY4533未连接时、我读取该寄存器的值。

    我不理解 I2C_SCL 残桩变为低电平的原因、但如果您了解原因、似乎您将找到解决方案。

    此致、

    东泽武

    e2e.ti.com/.../BQ25792read_5F00_0707.xlsx

  • 请注意,本文内容源自机器翻译,可能存在语法或其它翻译错误,仅供参考。如需获取准确内容,请参阅链接中的英语原文或自行翻译。

    你好、Takeshi、

    我将在下周二返回给您。

    此致、

    Mike Emanuel

  • 请注意,本文内容源自机器翻译,可能存在语法或其它翻译错误,仅供参考。如需获取准确内容,请参阅链接中的英语原文或自行翻译。

    你好、Takeshi、

    您能否提供您看到的 PD 事件的一些 PD 日志、以及在使用 USB-C-PD-DUO_EVM 作为接收端口的情况下是否尝试以源模式加载 USB-PD-CHG-EVM-01?

    www.ti.com/.../USB-C-PD-DUO-EVM

    此致、

    Mike Emanuel

  • 请注意,本文内容源自机器翻译,可能存在语法或其它翻译错误,仅供参考。如需获取准确内容,请参阅链接中的英语原文或自行翻译。

    尊敬的 Mike:

    我可以在连接 USB-PD-CHG-EVM-01和 CY4533时获取 PD 日志。

    我将在数据就绪时发送它。 请稍等。

    此外、我没有 USB-C-PD-DUO_EVM。 因此、无法获取 PD 日志。

    你有可能这么做吗?   请加以考虑。

    此致、

    东泽武

  • 请注意,本文内容源自机器翻译,可能存在语法或其它翻译错误,仅供参考。如需获取准确内容,请参阅链接中的英语原文或自行翻译。

    你好、Takeshi、

    USB-C-PD-DUO-EVM 不捕获 PD 日志。 我曾要求您尝试使用此器件来查看结果、因为我以前使用过此器件、结果很好。

    我需要查看两种情况的 PD 日志 、CY4533和  USB-C-PD-DUO_EVM。 下面是一个 PD 分析仪示例: https://www.totalphase.com/products/usb-power-delivery-analyzer/

    此致、

    Mike Emanuel

  • 请注意,本文内容源自机器翻译,可能存在语法或其它翻译错误,仅供参考。如需获取准确内容,请参阅链接中的英语原文或自行翻译。

    尊敬的 Mike:

    很抱歉我迟到了。

    我获得了 PD 日志。 附加文件。\n 请确认。

    此致、

    东泽武

    e2e.ti.com/.../PD-logs.zip

  • 请注意,本文内容源自机器翻译,可能存在语法或其它翻译错误,仅供参考。如需获取准确内容,请参阅链接中的英语原文或自行翻译。

    你好、Takeshi、

    USB-PD 专家将很快与您联系。

    此致、

    Mike Emanuel

  • 请注意,本文内容源自机器翻译,可能存在语法或其它翻译错误,仅供参考。如需获取准确内容,请参阅链接中的英语原文或自行翻译。

    尊敬的 Mike:

    感谢您的支持。

    此致、

    东泽武

  • 请注意,本文内容源自机器翻译,可能存在语法或其它翻译错误,仅供参考。如需获取准确内容,请参阅链接中的英语原文或自行翻译。

    尊敬的 Mike:

    关于 USB-PD-CHG-EVM-01、如果您有任何疑问、是否可以共享该信息?

    此致、

    东泽武

  • 请注意,本文内容源自机器翻译,可能存在语法或其它翻译错误,仅供参考。如需获取准确内容,请参阅链接中的英语原文或自行翻译。

    你好、Takeshi、

    很抱歉、我将查看 PD 日志、并尽快为您提供更新。

    谢谢、此致、

    林德华

  • 请注意,本文内容源自机器翻译,可能存在语法或其它翻译错误,仅供参考。如需获取准确内容,请参阅链接中的英语原文或自行翻译。

    您好、Raymond、

    我们正在等待您的建议。 谢谢你。

    此致、

    东泽武

  • 请注意,本文内容源自机器翻译,可能存在语法或其它翻译错误,仅供参考。如需获取准确内容,请参阅链接中的英语原文或自行翻译。

    你好、Takeshi、

    您能否说明电池可提供多少电量/输出电量? 从 PD 日志中可以看出、EVM 似乎能够成功建立 PD 协议、但我无法确切地知道它提供了多少电力。 您能否检查并查看所请求的灌电流(笔记本电脑)的确切值?

    谢谢、此致、

    林德华

  • 请注意,本文内容源自机器翻译,可能存在语法或其它翻译错误,仅供参考。如需获取准确内容,请参阅链接中的英语原文或自行翻译。

    您好、Raymond、

    所用电池的规格如下。

    标称电压10.80V
    额定容量≥6.80Ah
    最大 放电电流7.50A

    但是、采集 PD 日志的条件是我在第二天发送的

    假设灌电流侧没有负载。

    我简化了配置、使其易于考虑。

    此致、

    东泽武

  • 请注意,本文内容源自机器翻译,可能存在语法或其它翻译错误,仅供参考。如需获取准确内容,请参阅链接中的英语原文或自行翻译。

    你好、Takeshi、

    感谢您的更新、仍在调试此案例。

    谢谢、此致、

    林德华

  • 请注意,本文内容源自机器翻译,可能存在语法或其它翻译错误,仅供参考。如需获取准确内容,请参阅链接中的英语原文或自行翻译。

    您好、Raymond、

    将 USB-PD-CHG-EVM-01连接到笔记本电脑时、我尝试解码 TPS25750和 BQ25792的 I2C 通信。

    我们将提供相关信息以供参考。 (TPS25750 GUI 工具=v7.0.3)

    这两者之间的 I2C 通信似乎异常、BQ25792似乎未置位

    USB PD。有关详细信息、请参阅附件。

    此致、

    东泽武

    e2e.ti.com/.../TPS25750_5F00_I2C-decode.xlsx

  • 请注意,本文内容源自机器翻译,可能存在语法或其它翻译错误,仅供参考。如需获取准确内容,请参阅链接中的英语原文或自行翻译。

    你好、Takeshi-San、

    感谢您提供 I2C 日志、让我看看我是否可以在我的末尾重新创建它  

    我将在本周结束前再次与您进行讨论!

    谢谢、此致、

    林德华

  • 请注意,本文内容源自机器翻译,可能存在语法或其它翻译错误,仅供参考。如需获取准确内容,请参阅链接中的英语原文或自行翻译。

    您好、Raymond、

    还有一件事、我尝试了。

    假设 BQ25792设置异常、我已排除这种情况并确认了这种行为。

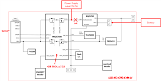
    方框图中显示了连接。

    因此、现在可以为笔记本电脑提供15V 电压。

    如果您可以设置 BQ25792、我认为它将正常工作。

    此致、

    东泽武

  • 请注意,本文内容源自机器翻译,可能存在语法或其它翻译错误,仅供参考。如需获取准确内容,请参阅链接中的英语原文或自行翻译。

    你好、Takeshi-San、

    从图中、您是否切断 (断开) TPS25750和 BQ25792之间的 VBUS 连接?  

    您说它会产生15V 电压吗?  

    此致、

    林德华

  • 请注意,本文内容源自机器翻译,可能存在语法或其它翻译错误,仅供参考。如需获取准确内容,请参阅链接中的英语原文或自行翻译。

    大家好、Raymond San、

    我剪切了图案、以免受到无法控制的 BQ25792的影响。

    我连接了一个15V 电源、而不是 BQ25792。

    此致、

    东泽武

  • 请注意,本文内容源自机器翻译,可能存在语法或其它翻译错误,仅供参考。如需获取准确内容,请参阅链接中的英语原文或自行翻译。

    你好、Takeshi、

    感谢您的澄清。 我将在内部联系以获得 BQ 部分的帮助。  

    谢谢、此致、
    林德华

  • 请注意,本文内容源自机器翻译,可能存在语法或其它翻译错误,仅供参考。如需获取准确内容,请参阅链接中的英语原文或自行翻译。

    大家好、Raymond San、

    您能告诉我是否有任何进展吗?

    顺便说一下、如果它是由 GUI 工具 v7.0.2生成的二进制文件、则可以进行 I2C 通信。
    (v7.0.2存在错误、因此 BQ 行为不稳定。)

    我希望 TPS25750能够正常控制 BQ。

    此致、

    东泽武

  • 请注意,本文内容源自机器翻译,可能存在语法或其它翻译错误,仅供参考。如需获取准确内容,请参阅链接中的英语原文或自行翻译。

    你好、Takeshi-San、

    您能否观察到从 v7.0.2和 v7.0.3生成的二进制文件之间的 I2C 通信是否存在明显差异?  

    从我的结尾来看、PD 控制器可能会使用 v7.0.3 GUI 写入不正确的 BQ 寄存器时出现问题。 我尚未使用 v7.0.2对其进行测试、以查看结果是否相同。 我将继续进行调试、看看我是否能够生成具有正确设置的二进制文件。  

    我将向您介绍任何发现结果。  

    谢谢、此致、

    林德华

  • 请注意,本文内容源自机器翻译,可能存在语法或其它翻译错误,仅供参考。如需获取准确内容,请参阅链接中的英语原文或自行翻译。

    大家好、Raymond San、

    我将以 GUI 工具 v7.0.2生成的二进制文件向您发送 I2C 日志。

    (仅属于 I2C 通信的一部分)

    如果是 v7.0.2、I2C 通信将不会异常。

    但是、设置数据中似乎存在错误、因此我无法为笔记本电脑供电。

    e2e.ti.com/.../8322.TPS25750_5F00_I2C-decode.xlsx

    此致、

    东泽武

     

  • 请注意,本文内容源自机器翻译,可能存在语法或其它翻译错误,仅供参考。如需获取准确内容,请参阅链接中的英语原文或自行翻译。

    你好、Takeshi-San、

    感谢您提供 I2C 日志、我将继续了解这一点!

    您是否还可以提供配置设置的 JSON 文件?  

    谢谢、此致、
    林德华

  • 请注意,本文内容源自机器翻译,可能存在语法或其它翻译错误,仅供参考。如需获取准确内容,请参阅链接中的英语原文或自行翻译。

    大家好、Raymond San、

    感谢您的考虑。

    发送 JSON 文件。 有两个版本:7.0.2和7.0.3。

    感谢你的支持。

    此致、

    Takeshi Tozawae2e.ti.com/.../5340.JSON.zip

  • 请注意,本文内容源自机器翻译,可能存在语法或其它翻译错误,仅供参考。如需获取准确内容,请参阅链接中的英语原文或自行翻译。

    你好、Takeshi-San、

    感谢您提供 JSON 配置、我将在明天提供更新!

    谢谢、此致、

    林德华

  • 请注意,本文内容源自机器翻译,可能存在语法或其它翻译错误,仅供参考。如需获取准确内容,请参阅链接中的英语原文或自行翻译。

    大家好、Raymond San、

    感谢您的更新!


    我还有一个问题。 我想咨询。

    作为解决 USB-PD-CHG-EVM 问题后的下一步、我想将其与 TUSB564RNQEVM 结合使用以进行数据通信

    进行连接。

    当我实际制作方框图中显示的一个并尝试操作它时、行为如下。

    1. USB Type-C 电缆使用正常

    (1)平板电脑= Surface Go3 / Surface Pro7 / Surface Pro8

    USB PD 供电:正常
    数据通信操作:正常

    使用高功率5A USB Type-C 电缆


    (1)平板电脑= Surface Go3 / Surface Pro7

    USB PD 供电:正常
    数据通信操作:正常

    (2)平板电脑= Surface Pro8

    USB PD 供电:正常
    数据通信操作:不好


    问题是、使用大功率5A USB Type-C 电缆时、我无法与 Surface Pro8通信数据。
    我很难确定导致这种情况的原因。

    我的请求是获取有关此行为的建议、如果我需要定制 TPS25750、
    我希望创建配置数据。 请听你说。

    谢谢、此致、

    东泽武

  • 请注意,本文内容源自机器翻译,可能存在语法或其它翻译错误,仅供参考。如需获取准确内容,请参阅链接中的英语原文或自行翻译。

    大家好、Raymond San、

    我很抱歉。 资料不足。

    USB 速度为 USB3.1 Gen1。

    此外、无法进行数据通信意味着平板电脑无法识别 UVC 摄像头。

    谢谢、此致、

    东泽武

  • 请注意,本文内容源自机器翻译,可能存在语法或其它翻译错误,仅供参考。如需获取准确内容,请参阅链接中的英语原文或自行翻译。

    你好、Takeshi-San、

    请尝试附加的二进制文件(从 v7.0.3 JSON 设置重新配置)并查看它是否起作用。  

    在所有三种情况下、数据通信是否相同? 我将了解我是否可以从 TUSB564专家处获得帮助。

    谢谢、此致、

    林德华

    e2e.ti.com/.../Takeshi_5F00_v7.0.3_5F00_fixed_5F00_bin

  • 请注意,本文内容源自机器翻译,可能存在语法或其它翻译错误,仅供参考。如需获取准确内容,请参阅链接中的英语原文或自行翻译。

    大家好、Raymond San、

    感谢您发送 bin 文件。

    但是、遗憾的是、它似乎无法按预期工作。

    I2C 通信不再停止、但 BQ 设置值似乎异常。

    读取 BQ 寄存器时、REG12的 EN_OTG 保持"禁用"状态、如果您强制将其重写为"启用"状态、VBUS 将输出15V 电压。

    但是、当插入和拔下 Type-C 电缆时、它会重写为"disable"、无法输出指定的电压。

    此外、寄存器设置值似乎异常的部分。

    您能看到随附的文件吗?

    顺便说一下、我想以各种配置运行 TPS25750。

    是否只有请求 TI 立即生成二进制文件才能选择?

    我是否有办法自行生成二进制文件?

    我想尝试各种设置、例如源 PDO 设置和 GPIO 设置。

    此外、关于与 TUSB564EVM 配合使用的数据通信操作、我希望获得持续支持。

    谢谢、此致、

    东泽武

    e2e.ti.com/.../6560.TPS25750_5F00_I2C-decode.xlsx

  • 请注意,本文内容源自机器翻译,可能存在语法或其它翻译错误,仅供参考。如需获取准确内容,请参阅链接中的英语原文或自行翻译。

    你好、Takeshi-San、

    感谢您的反馈! 当前在线 GUI 中存在错误、更多详细信息可在以下常见问题解答中找到: https://e2e.ti.com/support/power-management-group/power-management/f/power-management-forum/1133736/faq-when-i-configured-the-usb-pd-chg-evm-01-using-the-online-application-customization-tool-the-pd-controller-isn-t-communicating-correctly-with-the-bq25792 

    我将查看 I2C 解码表、并在本周晚些时候提供可能的权变措施的更新。  

    修复错误并提供新版本供使用后、将更新常见问题解答。  

    谢谢、此致、

    林德华

  • 请注意,本文内容源自机器翻译,可能存在语法或其它翻译错误,仅供参考。如需获取准确内容,请参阅链接中的英语原文或自行翻译。

    大家好、Raymond San、

    感谢您的回答!

    我觉得它会在一小段时间内解决、所以请注意。

    谢谢、此致、

    东泽武

  • 请注意,本文内容源自机器翻译,可能存在语法或其它翻译错误,仅供参考。如需获取准确内容,请参阅链接中的英语原文或自行翻译。

    你好、Takeshi-San、

    感谢您的耐心、在我处理您的文件时、是否有任何其他配置看起来工作正常或不正确?  

    谢谢、此致、

    林德华