This thread has been locked.

If you have a related question, please click the "Ask a related question" button in the top right corner. The newly created question will be automatically linked to this question.

[参考译文] TL431:用于36伏以上的电压

Guru**** 2419530 points
Other Parts Discussed in Thread: TL431

请注意,本文内容源自机器翻译,可能存在语法或其它翻译错误,仅供参考。如需获取准确内容,请参阅链接中的英语原文或自行翻译。

https://e2e.ti.com/support/power-management-group/power-management/f/power-management-forum/966902/tl431-using-for-voltages-over-36-volts

器件型号:TL431

你(们)好

我目前使用的 TL431在该原理图中的电压约为30V:



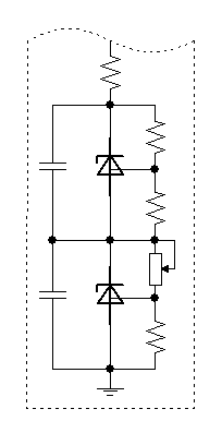
我想使用 TL431实现36V 以上的电压。 是否有这样的用例? 具有两个 TL431的电路是否可以工作? (如下所示):


此致、
Andrii。

  • 请注意,本文内容源自机器翻译,可能存在语法或其它翻译错误,仅供参考。如需获取准确内容,请参阅链接中的英语原文或自行翻译。

    堆叠将允许超过绝对最大额定电压、但如果您可以指定预期用途、我们可以检查设置是否会实现目标。 您可以分享更多详细信息吗?

  • 请注意,本文内容源自机器翻译,可能存在语法或其它翻译错误,仅供参考。如需获取准确内容,请参阅链接中的英语原文或自行翻译。

    您好、Andrii、

    没错。 只是一些建议、并非每个级都需要一个电容器。

    需要这样高电压和高精度的原因是什么?

  • 请注意,本文内容源自机器翻译,可能存在语法或其它翻译错误,仅供参考。如需获取准确内容,请参阅链接中的英语原文或自行翻译。

    感谢您的回复。

    我还没有最终的方案、但下面是一些详细信息:

    我想在功能强大的双极电源中使用 TL431。 因为那里可能存在加热、所以我希望获得热稳定性。 并且还能够进行调节、以在+-输出端获得相同的电压。

  • 请注意,本文内容源自机器翻译,可能存在语法或其它翻译错误,仅供参考。如需获取准确内容,请参阅链接中的英语原文或自行翻译。

    听起来像是一个很好的计划。 感谢您分享详细信息。