Other Parts Discussed in Thread: LM3435
您好!
我们遇到了两个问题、总结如下。 请分享您的意见。 谢谢!
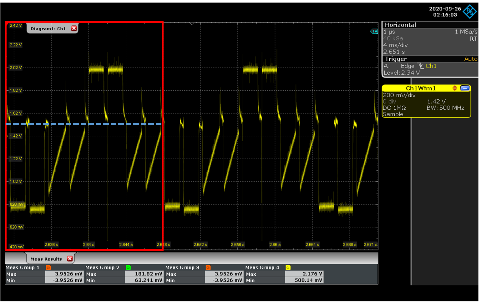
- 当电流设置为低电平时、故障寄存器(07h)中的短位将变为"1"。 我们可以做些什么来防止这种情况? 请在下面查看相关信息。
- VOUT/ LED/GLED/RLED 电压电平为6.45V/4.755V/4.605V/5.407V
- 寄存器(00h、01h、02h、03h)的值为(0x3、0x1、0x4)
- 当 LED 未连接到芯片时(LED/GLED/RLED 未连接)、很容易烧断芯片。
- 该问题发生在多个寄存器设置下。 设置之一是寄存器(00h、01H、02h、03H)值为 (0x35、0x13、0x0B、0x2B)时的最大亮度
- 当问题发生后、07h 寄存器值将从0x92 (开路)更改为0x49 (短路)。
谢谢!
安东尼
