Other Parts Discussed in Thread: LM5175, LM5176
请注意,本文内容源自机器翻译,可能存在语法或其它翻译错误,仅供参考。如需获取准确内容,请参阅链接中的英语原文或自行翻译。
器件型号:LM5175 主题中讨论的其他器件: LM5176
大家好、
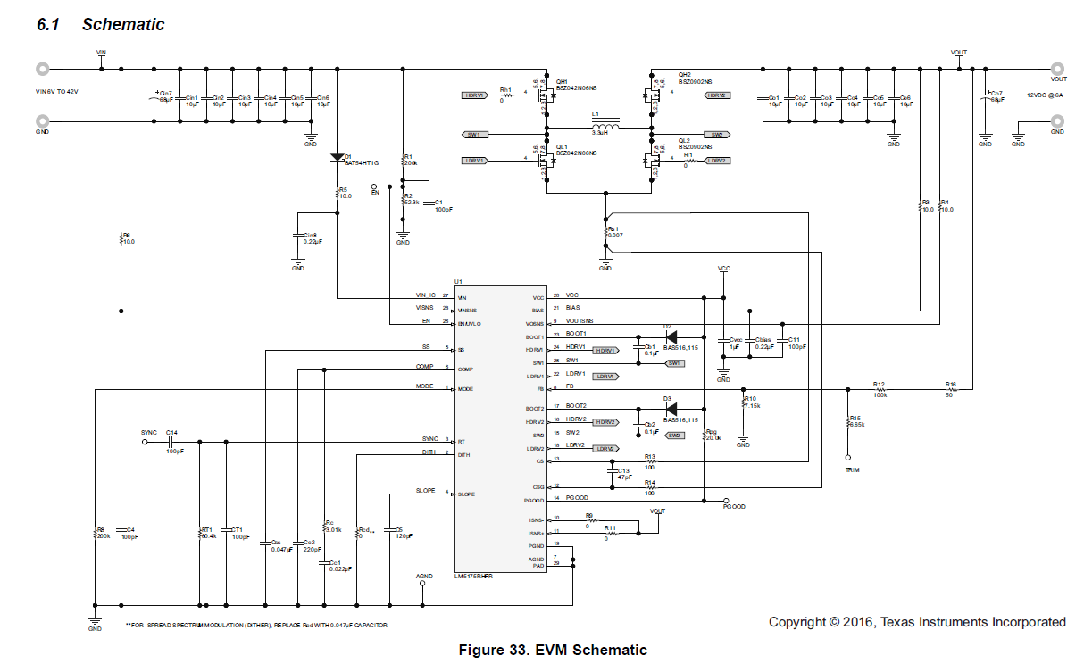
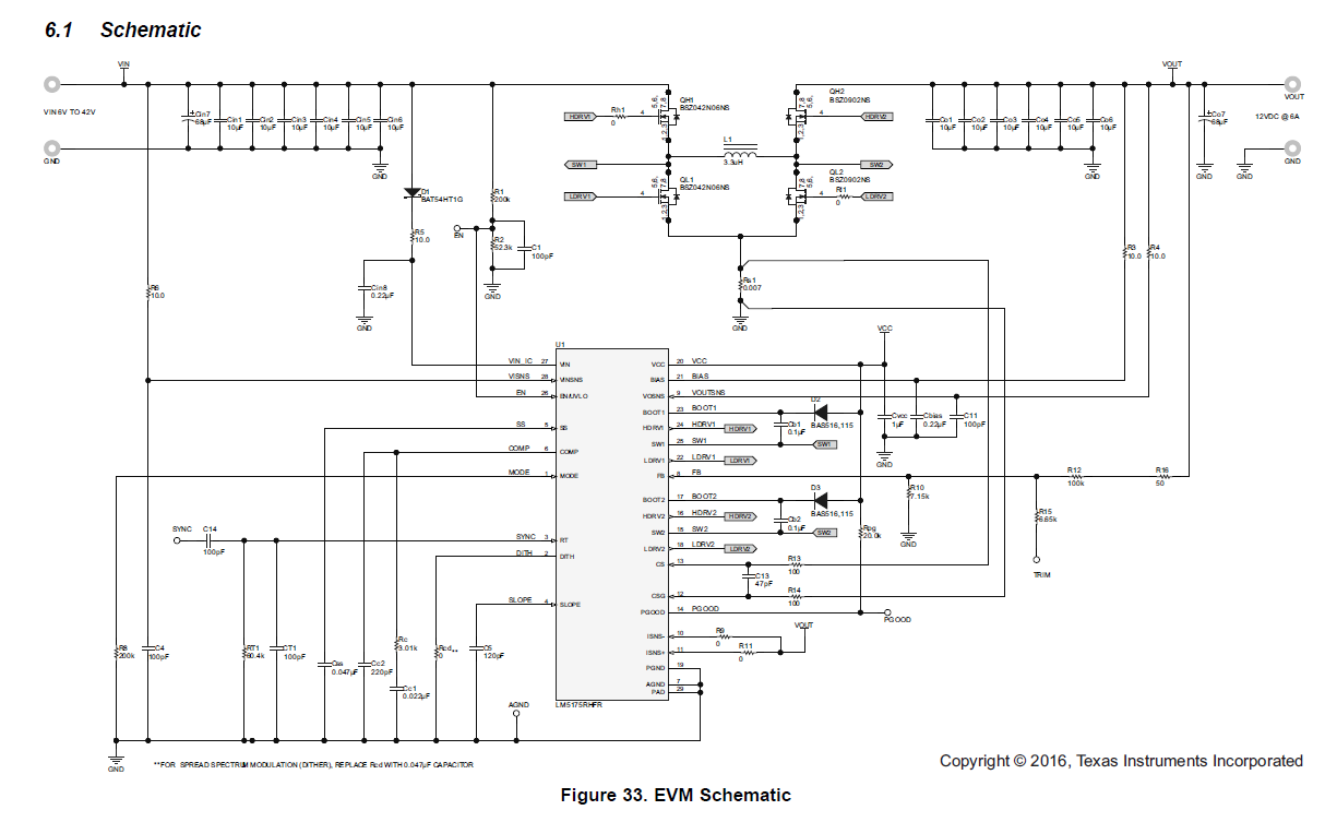
如何选择 LM5175 降压/升压 MOSFET,例如输入电压:9~36V 输出电压:12V/10A
如何选择 MOSFET QH1 QL1 VDS 60V 或40V 或其他???
如何在 QH2 QL2中选择 VDS?
