你(们)好
我使用 TLV62130制作了电路板。
20个电路板正在现场测试。
2电路板 不工作 TLV62130。
TLV62130无输出。
SW 引脚不工作。
它的工作原理是更换 TLV62130。
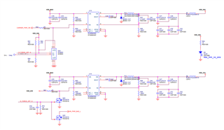
下面是电路

下面是布局

This thread has been locked.
If you have a related question, please click the "Ask a related question" button in the top right corner. The newly created question will be automatically linked to this question.
您好、Joseph Conrad
我将板修改为测试板。
未安装 B9、5V 连接电源。

工作单元


TLV62130无输出


铁氧体磁珠器件型号为 BLM21PG220SN1D
VDD_1v8仅使用 IC 电源。
例如电平收发器、IO 扩展器、EEPROM。

仅 TLV62130无输出
其他 IC 未损坏
是否存在其他情况而不是过压?
谢谢
您好、Sangil、
感谢您提供该波形。 您能否验证在未应用 VIN 的情况下 EN 从未处于高电平? 如何控制 EN 信号?
由于只有2个板显示此行为、我想知道是否存在某种类型的边沿案例命中。 您是否还检查了无法正常工作的电路板中的制造缺陷或间隙问题?
我建议在一个好板与坏板上对 IC 进行 A-B-A 交换、以查看 IC 是问题还是外部组件。
谢谢、
Joseph
您好、Sangil、
再次查看原理图和布局之后:
1) 1) RESET_OUT_L 信号在原理图中的位置是什么? 是否有上拉电阻器?
2) 2) SW 节点上存在大量振铃、这可能是由于测量技术和布局。
a)我建议使用较短的导线来测量 SW 节点、TIP 和桶形方法非常适合进行 SW 节点测量。 这将有助于减少测量上的振铃
b)下一个改进是在一个平面上将输入和输出电容器 GND 连接在一起、如数据表所示。 这将有助于降低导致 SW 节点振铃的寄生电感。

过多的 SW 振铃可能会超过器件的绝对最大额定值、因此在您的设计中仔细检查这一点很重要。
谢谢、
Joseph