您好、支持团队
1、引脚1、我将10kohm 用于外部电阻器。 此电阻器是否有任何建议值?
由于内部已经有50kOhm、我们是否仍需要添加这个10kohm?
2、我是否可以在不同的 VCC 电平下有 IVCC 曲线
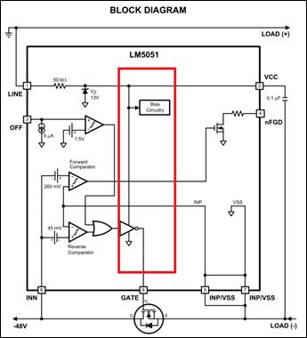
3. 在下面的红色框中,内部 IC 在 ORing 加电(Rg=511欧姆)后会消耗多少功率? PIN2 VCC 下降了多少? 随附的公式是否仍然适用? (所有条件均为40VDC)
4.是否可以有以下曲线的容差
非常感谢
This thread has been locked.
If you have a related question, please click the "Ask a related question" button in the top right corner. The newly created question will be automatically linked to this question.
您好、支持团队
1、引脚1、我将10kohm 用于外部电阻器。 此电阻器是否有任何建议值?
由于内部已经有50kOhm、我们是否仍需要添加这个10kohm?
2、我是否可以在不同的 VCC 电平下有 IVCC 曲线
3. 在下面的红色框中,内部 IC 在 ORing 加电(Rg=511欧姆)后会消耗多少功率? PIN2 VCC 下降了多少? 随附的公式是否仍然适用? (所有条件均为40VDC)
4.是否可以有以下曲线的容差
非常感谢
您好、红色、
问题1:
MOSFET Rdson 为4m Ω、4个并联、总 Rdson 为1m Ω。
12A 时、源漏电压为12mV (稳压)、Vgs 将接近6V 或4.5V。
在14A 时、源漏极电压为12mV (稳压)、但 RDSon = 3.4m Ω、Vgs 为10V。
当电流超过此值时,不能进行12MV 调节,源漏电压将为 I*Rdson。
满负载25A 时、Vgs 应大于10V。 您能否共享原理图以查看电路上是否存在任何其他压降?
问题2:
如果线路电压可能高于线路引脚的最大额定值、则可能需要添加10kohm 电阻器。 最大额定值为100V。
如果电压小于100V 且大于36V、则可使用线引脚为 IC 供电。
对于其余的问题、我需要查看特征评定数据、并需要一些时间。
让我稍后再回到这个问题。
此致、
Kari。