主题中讨论的其他器件: TPS62147、 TPS62170
尊敬的 TI:
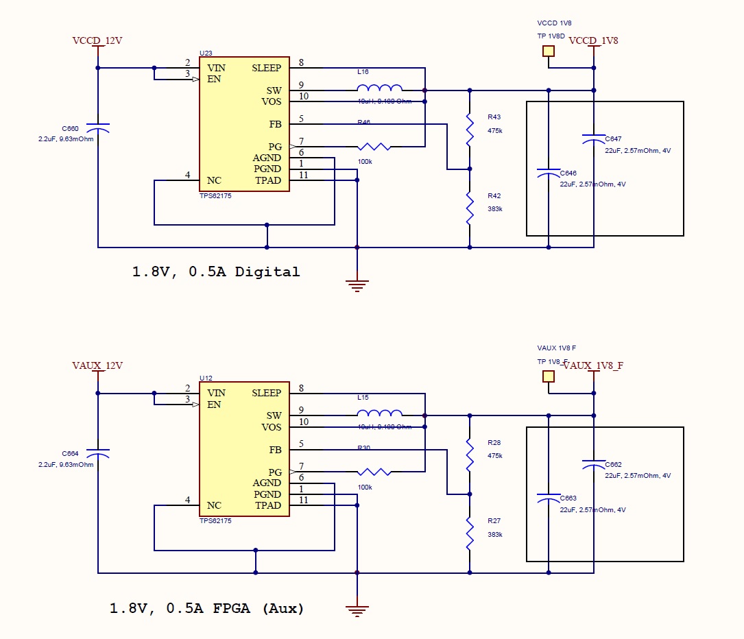
我在 PCB 板中使用 DUA TPS62175设计和制造了一个 PCB 板。
这两个器件均设计为生成1.8V 的输出电压。
我在设计中使用了 WebBench。
一个 Vout (VCCA_1V8)_F 用于辅助、一个(VCCD_1V8)用于主。
这两个电路在设计上是相同的、使用的部件是相同的。
主电源的 Vout 产生2.12V 输出、而不是1.8V、但辅助电源的 Vout 根据设计产生1.8V 输出。
两种电源的 PCB 布局几乎相同、但会产生不同的电压。
我针对 VCCD_1V8输出测量了 Vout 和 VFB、结果如下:
Vout = 2.12V
VFB = 1.14V
在数据表中、FB 的典型电压为0.8V、但 VCCF_1V8的 VFB 的测量值约为1.1V
我尝试更改 R1和 R2 (分压器寄存器值)、但 VFB 和 Vout 没有显著变化(几乎没有变化)。
Cloud 请告诉我如何将输出电压设为1.8V?
以下是 PCB 布局:
VCCD_1V8的总体布局(测量值为2.12V 的布局)
VCCD_1B8的底层
VAUX_1V8_F (正常工作的 Vout)
最恰当的考虑。




