This thread has been locked.

If you have a related question, please click the "Ask a related question" button in the top right corner. The newly created question will be automatically linked to this question.

[参考译文] TPS23754:输出电压仅为2V 左右

Guru**** 2604225 points
Other Parts Discussed in Thread: TPS23754EVM-383

请注意,本文内容源自机器翻译,可能存在语法或其它翻译错误,仅供参考。如需获取准确内容,请参阅链接中的英语原文或自行翻译。

https://e2e.ti.com/support/power-management-group/power-management/f/power-management-forum/638869/tps23754-out-put-voltage-only-about-2v

器件型号:TPS23754

大家好、我使用 的是 TPS23754EVM-383参考设计、但输出电压仅为2V、开关 MOSFET (si484848dy)非常热、需要帮助、非常感谢:)

  • 请注意,本文内容源自机器翻译,可能存在语法或其它翻译错误,仅供参考。如需获取准确内容,请参阅链接中的英语原文或自行翻译。
    尊敬的 Eric:

    您是否以任何方式修改了 EVM? 请简单介绍一下您的设置。

    -Tom
  • 请注意,本文内容源自机器翻译,可能存在语法或其它翻译错误,仅供参考。如需获取准确内容,请参阅链接中的英语原文或自行翻译。

    您好、Tom

    我使用选项3 ORing、对于测试、我没有应用适配器电源、我将 T2P、APD 和 PPD 连接到 RTN。

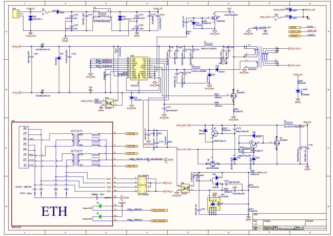
    首先、我使用不同的变压器、然后我更改为参考变压器(PA2649NL)、结果相同。 请参阅随附的文件。

    谢谢。

      e2e.ti.com/.../POE-Interface.pdf

  • 请注意,本文内容源自机器翻译,可能存在语法或其它翻译错误,仅供参考。如需获取准确内容,请参阅链接中的英语原文或自行翻译。

    大家好、tom、请看这里有两个 pdf 文件、即使我将变压器更改为 PA2649NL、它们具有相同的输出、测试条件处于极低负载、只需打开 LED 即可。


    e2e.ti.com/.../0066.POE-Interface.pdfe2e.ti.com/.../HR102044-RevA1.pdf

  • 请注意,本文内容源自机器翻译,可能存在语法或其它翻译错误,仅供参考。如需获取准确内容,请参阅链接中的英语原文或自行翻译。
    Eric、

    使用 PoE 或适配器输入时、输出2V 和 Q2 MOSFET 是否过热?

    -Tom
  • 请注意,本文内容源自机器翻译,可能存在语法或其它翻译错误,仅供参考。如需获取准确内容,请参阅链接中的英语原文或自行翻译。

    Tom、

     仅 POE、未应用适配器、引脚 VC 上的电压约 为12V。

  • 请注意,本文内容源自机器翻译,可能存在语法或其它翻译错误,仅供参考。如需获取准确内容,请参阅链接中的英语原文或自行翻译。
    Eric、

    您是否尝试过适配器输入、是否尝试过 EVM 上推荐的原始 xfmer?

    我将很快回顾您选择的 xfmer。 您的原理图看起来不错。
  • 请注意,本文内容源自机器翻译,可能存在语法或其它翻译错误,仅供参考。如需获取准确内容,请参阅链接中的英语原文或自行翻译。

    Tom、

      我没有尝试使用适配器输入、我已经尝试使用 PA2649NL、这是 EVM 上推荐的。 它具有相同的输出、是布局问题吗?我使用了两层 PCB 板。

      引脚 VC 上的电压是正确的。

     

  • 请注意,本文内容源自机器翻译,可能存在语法或其它翻译错误,仅供参考。如需获取准确内容,请参阅链接中的英语原文或自行翻译。
    尊敬的 Eric:

    检查光耦合器上的电流传输比。 我们通常使用80%至160%、就像 EVM 上的 FOD817AS 一样。

    -Tom
  • 请注意,本文内容源自机器翻译,可能存在语法或其它翻译错误,仅供参考。如需获取准确内容,请参阅链接中的英语原文或自行翻译。

    Tom

      我会尝试、非常感谢。

  • 请注意,本文内容源自机器翻译,可能存在语法或其它翻译错误,仅供参考。如需获取准确内容,请参阅链接中的英语原文或自行翻译。

    Tom、下面是 TLP185的电流传输比、它是否过高?

  • 请注意,本文内容源自机器翻译,可能存在语法或其它翻译错误,仅供参考。如需获取准确内容,请参阅链接中的英语原文或自行翻译。
    Eric、

    是的、高达400%的值太高。 尝试使用我们在参考设计中使用的光耦、并告知我们发生了什么。

    谢谢、
    Thomas A.
  • 请注意,本文内容源自机器翻译,可能存在语法或其它翻译错误,仅供参考。如需获取准确内容,请参阅链接中的英语原文或自行翻译。

    好的、非常感谢。

  • 请注意,本文内容源自机器翻译,可能存在语法或其它翻译错误,仅供参考。如需获取准确内容,请参阅链接中的英语原文或自行翻译。

    谢谢、它解决了我的问题。