This thread has been locked.

If you have a related question, please click the "Ask a related question" button in the top right corner. The newly created question will be automatically linked to this question.

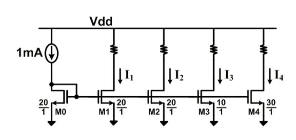
[参考译文] 电流镜、但需要1:4的不平衡电压。

Guru**** 2589265 points
Other Parts Discussed in Thread: REF200

请注意,本文内容源自机器翻译,可能存在语法或其它翻译错误,仅供参考。如需获取准确内容,请参阅链接中的英语原文或自行翻译。

https://e2e.ti.com/support/power-management-group/power-management/f/power-management-forum/755033/current-mirror-but-looking-for-1-4-unbalanced-voltage

主题中讨论的其他器件:REF200

尊敬的先生/女士:

对于1:4不平衡电压的电流镜、TI 是否有任何建议? 最终应用适用于光纤应用。  

最好的 rgds

公里/小时

  • 请注意,本文内容源自机器翻译,可能存在语法或其它翻译错误,仅供参考。如需获取准确内容,请参阅链接中的英语原文或自行翻译。

    KPK 您好、

    请提供您想要测量的内容的更多详细信息。  至少显示接口和连接的方框图。

    谢谢、

    ~Leonard

  • 请注意,本文内容源自机器翻译,可能存在语法或其它翻译错误,仅供参考。如需获取准确内容,请参阅链接中的英语原文或自行翻译。

    您好 Leonard、

    电流镜的 Vref 为2.5V、Vout 为15V。 2.5V 和15V 都需要由直流/直流转换器生成。 (24V 直流输入。 所需的降压稳压器)

    Q1的发射极(基准侧)连接到电流阱输入。 目标增益为 x4。

    可对 Iout 进行监控、从而使晶体管的增益精度和匹配不是真正必要的。

    终端应用适用于收发器100G/200g/400G bps 应用。

    此致、

    公里/小时

  • 请注意,本文内容源自机器翻译,可能存在语法或其它翻译错误,仅供参考。如需获取准确内容,请参阅链接中的英语原文或自行翻译。

    您好 KPK、

    您未提供原理图或参考设计、因此对 Q1和其他电路参数的引用未知。  请提供参考设计。

    ~Leonard

  • 请注意,本文内容源自机器翻译,可能存在语法或其它翻译错误,仅供参考。如需获取准确内容,请参阅链接中的英语原文或自行翻译。

    您好 Leonard、

    因为这是概念研究下的一个新项目。 无法共享任何原理图。  

    最好的 rgds

    公里/小时

  • 请注意,本文内容源自机器翻译,可能存在语法或其它翻译错误,仅供参考。如需获取准确内容,请参阅链接中的英语原文或自行翻译。

    您好 KPK、

    是否有其他方法可以描述您所说的 Q1?  至少需要一个方框图、以便我们更详细地了解您想要实现的目标。  或者、您也可以在数据表或 TI 参考设计中找到类似的设计。

    此致、

    ~Leonard

     

  • 请注意,本文内容源自机器翻译,可能存在语法或其它翻译错误,仅供参考。如需获取准确内容,请参阅链接中的英语原文或自行翻译。

    您好 Leonard、

    请参见随附的。

    e2e.ti.com/.../Presentation1.pdf

    非常类似。

    此致、

    公里/小时

  • 请注意,本文内容源自机器翻译,可能存在语法或其它翻译错误,仅供参考。如需获取准确内容,请参阅链接中的英语原文或自行翻译。
    尊敬的 Keng:

    根据您所需的精度水平、我们提供了几个类似的选项。
    您尝试拉取的电流范围是多少?
    您如何控制输入电流?
    对于低电流、我们有 REF200器件。

    -Marcoo