This thread has been locked.

If you have a related question, please click the "Ask a related question" button in the top right corner. The newly created question will be automatically linked to this question.

[参考译文] TPS65286:TPS65286应用问题

Guru**** 2618455 points

Other Parts Discussed in Thread: TPS65286

请注意,本文内容源自机器翻译,可能存在语法或其它翻译错误,仅供参考。如需获取准确内容,请参阅链接中的英语原文或自行翻译。

https://e2e.ti.com/support/power-management-group/power-management/f/power-management-forum/569279/tps65286-tps65286-application-question

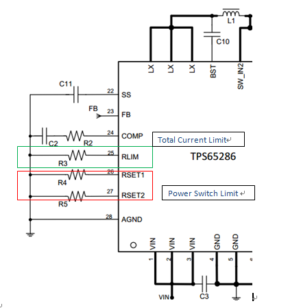
器件型号:TPS65286

您好、先生、

我对 TPS65286有疑问。 您能帮您评论一下吗? 谢谢。

我是否可以知道 TPS65286将电流限值从25mA 调整为2.7A 是针对 RLIM 还是 RSET1/2? DS show RSET CAN 配置最大值为1.76A,RLIM CAN 配置最大值为7.7A?

  • 请注意,本文内容源自机器翻译,可能存在语法或其它翻译错误,仅供参考。如需获取准确内容,请参阅链接中的英语原文或自行翻译。

    您好、Wen Yung、
    它与用于设置 USB 电源开关电流限制的 RSET 有关,请参阅 DS 中的8.3.1.1和8.3.1.7,了解电源开关的电流限制详细说明。
    RLIM 是降压转换器的电流限制设置。
    此外、DS 中9.2.2.2的 TPS6528x 也会有所不同。

    BR、
    裕昌