您好!
我在使用 TPS7A2055PDBVR LDR 稳压器时遇到问题。 我想使用此芯片从6V 电源生成5.5V 输出电压。
在我的设计中、我有一个22uF 的输出电容器和一个>1uF 的输入电容器。
负载与 PMOS 相连。 如果到 MOSFET 开路、则输出电压约为5.3V、输入电压为6.00V。 这不符合预期、但可以正常工作。
一旦我连接负载(最大50mA)、电压就会降至4V 以下
EN 引脚连接到输入电压。
您能解释一下这种行为吗?
Moritz Speidel

This thread has been locked.
If you have a related question, please click the "Ask a related question" button in the top right corner. The newly created question will be automatically linked to this question.
您好!
我在使用 TPS7A2055PDBVR LDR 稳压器时遇到问题。 我想使用此芯片从6V 电源生成5.5V 输出电压。
在我的设计中、我有一个22uF 的输出电容器和一个>1uF 的输入电容器。
负载与 PMOS 相连。 如果到 MOSFET 开路、则输出电压约为5.3V、输入电压为6.00V。 这不符合预期、但可以正常工作。
一旦我连接负载(最大50mA)、电压就会降至4V 以下
EN 引脚连接到输入电压。
您能解释一下这种行为吗?
Moritz Speidel

您好、Moritz、
感谢您分享示波器截图。
对于以下示波器屏幕截图:

一旦您连接负载、就会出现这种情况、 对吧? Vbus 是否仍然是 Vin、还是仅适用于 PMOS? 此外、在哪里测量 Vout? 它是直接穿过 LDO 还是沿线路向下?
如果 Vbus 是 Vin、那么 Vin 似乎一旦加载、就会崩溃。
15V 电压轨使用什么电压?15V 电压轨上的电流限制是多少?
我会尝试执行以下操作:
通过旁路 L78M 将 L78M 器件与 TPS7A20隔离。 这可以通过不打开 L78M 器件并向 TPS7A20施加6V 外部电压并再次运行测试来实现。
正常开启时、器件损坏会很奇怪。 如果出于任何原因这仍然是可行的、我建议使用新的 TPS7A20来更改它、然后重新运行测试。
最后、您能否与负载共享原理图?
最棒的
Edgar Acosta
尊敬的 Edgar:
VBUS 只是 PMOS 的控制电压。 我还测量了 Vin 和15V 电压轨。 它们不受施加负载的影响。
15V 由具有100mA 电流限制的 Keitley 230供电。
VOUT 是在 TPS (小于1mm 的距离)后直接在电容器上测量的、因此电阻压降不应发挥重要作用。
如果我直接为6V 电压轨供电、那么如果我连接负载、也会发生同样的情况。


除了+15V 和 GND 之外、没有任何连接器连接。
最好的,莫里茨
您好、Moritz、
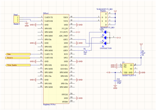
我已经介绍了 Raspberry Pi Pico 数据表、 它们在 不使用 USB 时显示相同的配置。 也就是说、VSYS 可由1.8V 至5.5V 电压供电、这是 TPS7A20生成的电源轨:

上部电源流不会崩溃、这似乎是奇怪的。
您是否尝试更换过 LDO?
最后、是否有方法可以执行以下操作:

移除 PMOS 并/或将 LDO 与 MCU 隔离以防止任何损坏、并为 LDO 加载110欧姆电阻以获得50mA?
最后、是否有办法增加15V 电源的电流限制。 我想排除浪涌电流、但我认为情况并非如此、因为没有其他电压轨崩溃。
最棒的
Edgar Acosta
您好、Moritz、
感谢您的耐心和分享信息。
从您分享的示波器快照中、几乎可以看到 TPS7A20进入电流限制、或者它通过反向电流受到损坏。 我还从 Raspberry Pi DS 中了解到、建议在 与 PMOS 体二极管相同的方向上使用肖特基二极管。
同样的方法也可应用于 LDO、以保护其免受任何可能的反向电流情况的影响。
安装新的 LDO 后、请告诉我。 我强烈建议将其与 Raspberry PI 分开进行测试、并捕获启动和关断波形、并尝试按照前面所述对其进行加载、以便在与 MCU 交互之前丢弃任何可能的损坏。
最棒的
Edgar Acosta