您好!
我将 LM3424用作降压/升压转换器、以1.5A 电流驱动8个 LED。 我遇到过热问题、导致电流随时间降额、我重新设计了设计、其性能要好得多。
现在问题是、我在 SW 信号和输入电压电源上会听到很多振铃、我要连接示波器快照。
输入电压电源:
SW 节点波形:
以及对峰值进行缩放的照片。
如何减少这种振铃? 我想在输入端添加共模扼流圈以在该频率下共振、但我不确定是否需要调整与控制环路补偿相关的一些无源器件。
我担心、当我们将其发送到证书时、这种振铃会对 EMC 辐射造成问题。
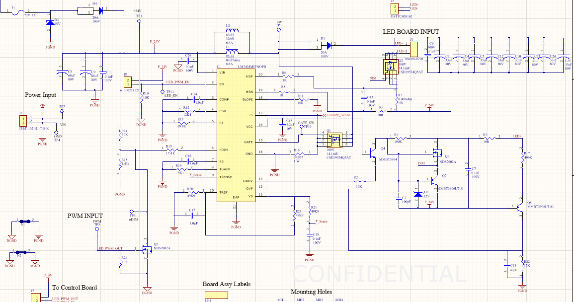
我将添加原理图以供参考。
谢谢!


