您好!
目前、我 有许多封闭式电池系统、包括 BQ40Z50-R1 、其中 BQ294700DSG 最多可连接两节 INR26650电池。
据我所知、这些器件均采用相同的配置进行设置、但有些器件在一般使用期间似乎会关闭 DSG 和 CHG FET。 我只能通过 SMBus 切换 FET 来打开它们-这并不理想、因为电池位于封闭外壳中。
我的目标是让电池能够在长时间不使用后自动充电或放电、即完全放电、充满电。 而无需人工干预。
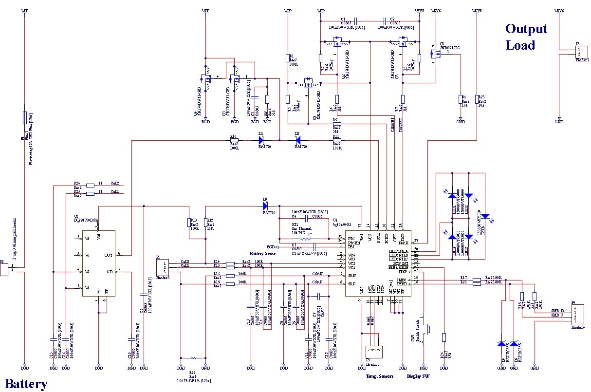
我已附上一节电池的原理图、位寄存器标志的屏幕截图和 the.gg.csv 文件、这些显示了此问题。
请注意、位寄存器的屏幕截图是在完全放电后由电池提供的。 在手动干预之前、它不会自动充电(XDSG、xchg 为0)。
非常感谢您的任何帮助。
e2e.ti.com/.../_2300_18-Production-Settings-for-test.gg.csv.7z


