主题中讨论的其他器件:DEM-SOT223LDO、
我的客户正在使用 TPS73701DCQR。
采用外设组件常量进行设计的客户、如下所述。
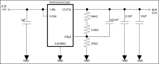
Phenomenon①:当负载电流为200mA 时、有一个器件的输出电压下降了大约0.5V。
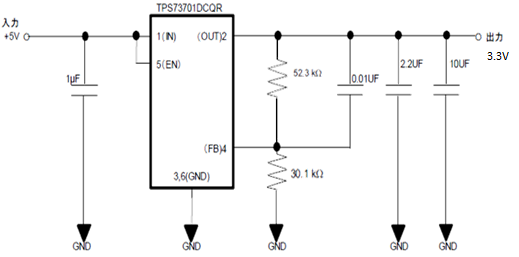
Phenomenon②:但是、如果由以下常量确认、输出电压不会降低。
我们在 TI 的通用 EVM DEM-SOT223LDO"上确认了目标样片、但也发生了同样的现象。
(我想客户从该结果中看、在图形设计中没有错误。)
<关于外设组件常量的注释>
·我认为客户按照规定设计外设电容器。
·尽管数据表中没有关于4.5V 设置的反馈电阻器的说明、但它是建议的输出电压设置范围。
<问题>
在这种情况下、您能告诉我什么是由(您可以猜到)引起的?
此致、
Masumi Sekiguchi





