请注意,本文内容源自机器翻译,可能存在语法或其它翻译错误,仅供参考。如需获取准确内容,请参阅链接中的英语原文或自行翻译。
器件型号:TPS74401 您好!
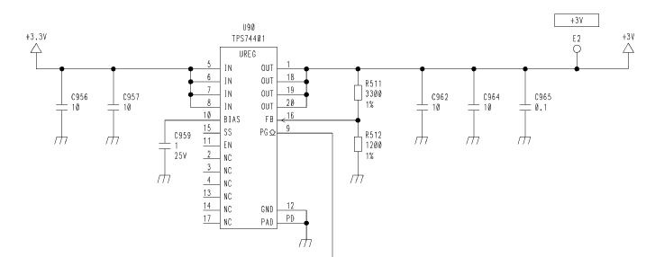
我们希望从3.3V 获得3V 输出、但只有它才能获得0.4V 输出电压。
原理图随附。
我们尝试将 EN 引脚连接到 VIN (3.3V)、但输出电压为0.4V、不变。
我们尝试将 BIAS 引脚连接到 VIN (3.3V)、利用 EN 绑定的 VIN、输出电压为2.6V。
我们如何获得适当的3V 输出? 该板仅提供5V 电压。
此致、
渡边俊弘
