This thread has been locked.

If you have a related question, please click the "Ask a related question" button in the top right corner. The newly created question will be automatically linked to this question.

[参考译文] TPS54628的封装尺寸

Guru**** 2521450 points
Other Parts Discussed in Thread: TPS54628, TPS54328

请注意,本文内容源自机器翻译,可能存在语法或其它翻译错误,仅供参考。如需获取准确内容,请参阅链接中的英语原文或自行翻译。

https://e2e.ti.com/support/power-management-group/power-management/f/power-management-forum/737142/package-size-of-tps54628

主题中讨论的其他器件:TPS54628TPS54328

我们有关于 TPS54628的问题。

请向我们展示 TPS54628封装尺寸的数据。

 我们无法在数据表中找到封装尺寸和图的信息。

此致、

西泽高郎

  • 请注意,本文内容源自机器翻译,可能存在语法或其它翻译错误,仅供参考。如需获取准确内容,请参阅链接中的英语原文或自行翻译。
    你好、Takahiro、

    请在数据表第21页至第26页中查找封装尺寸和图。


    Gavin
  • 请注意,本文内容源自机器翻译,可能存在语法或其它翻译错误,仅供参考。如需获取准确内容,请参阅链接中的英语原文或自行翻译。
    感谢您的回答!

    我们希望了解封装轮廓的信息。
    例如、TPS54328的数据表第28页。
    你有数据吗?

    此致、

    西泽高郎
  • 请注意,本文内容源自机器翻译,可能存在语法或其它翻译错误,仅供参考。如需获取准确内容,请参阅链接中的英语原文或自行翻译。
    你好、Takahiro、

    请在数据表第24至25页中查找封装轮廓信息。


    Gavin
  • 请注意,本文内容源自机器翻译,可能存在语法或其它翻译错误,仅供参考。如需获取准确内容,请参阅链接中的英语原文或自行翻译。
    感谢您的回答。

    我已查看数据表第24页至第25页。
    www.ti.com/.../tps54628.pdf

    但我们无法检查封装尺寸、包括外部引脚。
    我们想知道尺寸的数字(-mm x -mm x -mm x -mm)、例如 TPS54328的数据表第28页。

    此致。


    西泽高郎
  • 请注意,本文内容源自机器翻译,可能存在语法或其它翻译错误,仅供参考。如需获取准确内容,请参阅链接中的英语原文或自行翻译。

    你好、Takahiro、

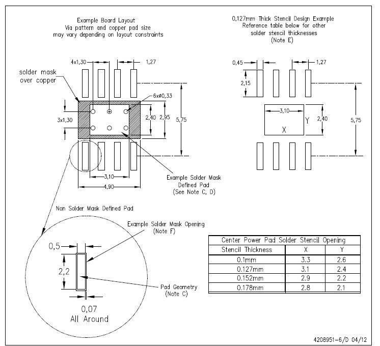
     对于 TPS54628、 我们只有 SO PowerPAD 封装。  我们有尺寸的图(-mm x -mm x -mm)。 您可以看到图片。 客户只需进行布局即可。

    Gavin

  • 请注意,本文内容源自机器翻译,可能存在语法或其它翻译错误,仅供参考。如需获取准确内容,请参阅链接中的英语原文或自行翻译。
    感谢您的回答。

    我们需要检查 TPS54628的封装尺寸信息、例如 TPS54328的数据表第24页。
    你有数据吗?

    此致、


    西泽高郎
  • 请注意,本文内容源自机器翻译,可能存在语法或其它翻译错误,仅供参考。如需获取准确内容,请参阅链接中的英语原文或自行翻译。
    你好、Takahiro、

    您可以向我发送有关数据的电子邮件。 gavin-wang@ti.com


    Gavin