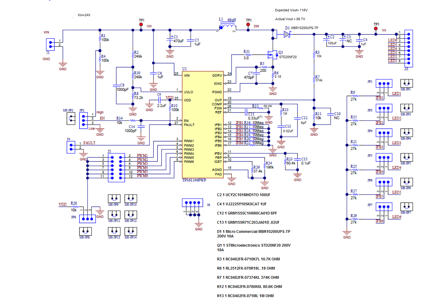
我们尝试使用提供的公式获得118.2V 的输出电压和0.155A 的输出电流、我们进行了以下更改
C2 1 UCY2101MHD1TO 100UF
C4 1 VJ2225Y105KXCAT 1UF
C12 1 GRM1555C1H6R0CA01D 6PF
C13 1 GRM155R71C203JA01D .02UF
D1 1微型商用 MBR10200US-TP 200V 10A
Q1 1 STMicroelectronics STD20NF20 200V 18A
R3 1 RC0402FR-0710K7L 10.7K 欧姆
R6 1 RL2512FK-070R18L .18 Ω
R7 1 RC0402FR-07374KL 374K Ω
R12 1 RC0402FR-0780K6L 80.6K 欧姆
R13 1 RC0402FR-071ML 1M Ω
