主题中讨论的其他器件: BQ76930
大家好、TI 团队、
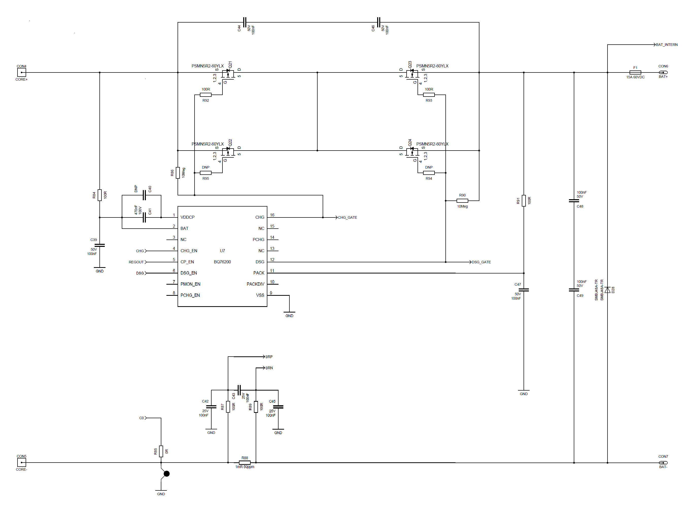
我正在评估用于10节电池的 bq76930+bq76200的 BMS 设计。 我已经看到以下输出电压行为、这对我来说毫无意义:
当 DSG_EN 和 CHG_EN 为低电平时、输出电压约为18V。 为什么?
2、当我2x470µF 一个容性负载(并联 μ F 电解电容)时、输出电压将逐步增加。 我已附上示波器的屏幕截图:
CH1 = DSG (黄色)
CH2 =电池电流(绿色)
Ch4 =输出电压/BAT+(粉色)
我预计高侧驱动器的 VDDCP 电容太小、但 FET 的总输入容量(PSMN5R2-60Y)仅为10nF。
根据 SLVA729A 表10 、我选择的470nF 电荷泵电容应该足够了。
我还附上了功率级的原理图。 因此、有人可以检查原理图并对所描述的行为提供反馈、这会很有帮助。
BR、
Patrick。
