This thread has been locked.

If you have a related question, please click the "Ask a related question" button in the top right corner. The newly created question will be automatically linked to this question.

[参考译文] TPS63000:负输出电压

Guru**** 2493565 points
Other Parts Discussed in Thread: TPS63001, TPS63000

请注意,本文内容源自机器翻译,可能存在语法或其它翻译错误,仅供参考。如需获取准确内容,请参阅链接中的英语原文或自行翻译。

https://e2e.ti.com/support/power-management-group/power-management/f/power-management-forum/715724/tps63000-negative-output-voltage

器件型号:TPS63000
主题中讨论的其他器件:TPS63001

您好!

我有用于降压/升压操作的 TPS63000DRCR IC。 我在数据表中参考了原理图设计并构建了定制板。

输出电压为负。 这意味着、当我使用万用表端子检查输出时、它会提供0v 与 GND、而3.3V 与输入正电源。

我不知道为什么它的行为是这样的。 我已检查所有终端。 都是正确的、没有短路。

我需要帮助来解决这个问题。 请帮帮我

谢谢、  

  • 请注意,本文内容源自机器翻译,可能存在语法或其它翻译错误,仅供参考。如需获取准确内容,请参阅链接中的英语原文或自行翻译。
    Dineshkumar、您好!

    您能否告诉我您在电路板上测量的输入和输出电压值是多少、您期望的值是多少(反馈电阻器值是多少)?

    您是否还可以检查您是否使用了正确的器件以及器件引脚周围是否没有焊料短路?

    此致、
    密耳
  • 请注意,本文内容源自机器翻译,可能存在语法或其它翻译错误,仅供参考。如需获取准确内容,请参阅链接中的英语原文或自行翻译。

    您好、Milos、

    输入电压为4.2V、由锂聚合物电池供电。

    输出电压为-3.3V、没有反馈电阻器。 它直接连接到 VOUT 引脚

    谢谢你  

  • 请注意,本文内容源自机器翻译,可能存在语法或其它翻译错误,仅供参考。如需获取准确内容,请参阅链接中的英语原文或自行翻译。
    Dineshkumar、您好!

    那么、我假设您使用的是 TPS63001器件、因为它应该将 FB 直接连接到输出端、并且内部分压器预设为 Vout=3.3V?

    在任何情况下、您能否再次检查在测量输出电压时是否参考了正确的极性? 因为您具有(稳定?) 输出上的3.3V 我假设稳压工作正常、但极性标记在万用表或输出连接器上的某个位置相反。 检查输入和输出连接器的-侧是否都接地。 或者、通过将-万用表引线连接到电池的-、并将+万用表引线连接到 Vout 引脚来测量输出电压。

    内部开关的体二极管可防止在输出侧形成此类负电压、更不用说具有正基准的内部电路无法生成负输出电压。

    此致、
    密耳
  • 请注意,本文内容源自机器翻译,可能存在语法或其它翻译错误,仅供参考。如需获取准确内容,请参阅链接中的英语原文或自行翻译。
    您好、Milos、
    我使用的是 FB 直接连接到 VOUT 的 TPS63000DRCR 器件。 这可能是个问题吗?
    当我在器件的电池 GND 和 VOUT 上使用万用表探针时、它仅显示0v

    但是、当我将其与电池+和 VOUT 连接并使用万用表探针时、它会提供3.3V 电压。

    这就是我在这个问题上的意思。

    能不能帮我解决这个问题

    谢谢、
  • 请注意,本文内容源自机器翻译,可能存在语法或其它翻译错误,仅供参考。如需获取准确内容,请参阅链接中的英语原文或自行翻译。

    Dineshkumar、您好!

    您的应用是什么以及所需的输出电压?

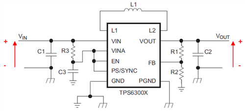
    如果您使用的是 TPS63000、则必须添加一个电阻分压器来设置输出电压。 请参阅 数据表中的图2、当涉及输入/输出电压时、请使用以下约定:  



    您还可以查看 TPS63000 评估模块 、在该模块中您可以找到适用于3.3V 输出电压的设计。

    但愿这对您有所帮助。

    此致、
    密耳

  • 请注意,本文内容源自机器翻译,可能存在语法或其它翻译错误,仅供参考。如需获取准确内容,请参阅链接中的英语原文或自行翻译。
    您好、Milos、
    感谢你的帮助。 我认为问题是将 FB 直接连接到 VOUT、这会导致问题。
    现在我解决了这个问题。
    感谢您的友好支持
    祝你度过美好的一天