器件型号:BQ29706
您好!
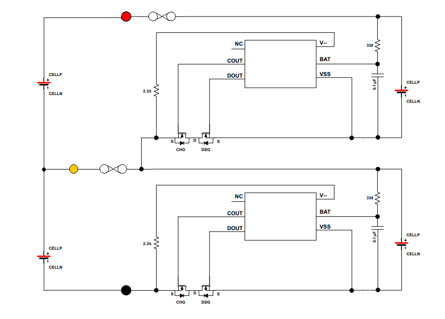
我想将 BQ29706和 BQ29200用于2S1P 磷酸铁锂(LFP)电池配置。 我对此有几个问题:
Q1:由于 LFP 的电压上限为3.65V、我可以使用 BQ29706 (OVP=3.85v)进行电池保护吗?
Q2:如果是、我能否通过添加 Q1中使用的两个类似配置将此配置扩展到2S1P?
Q3:BQ29200 (2节电池平衡 IC)是否 可用于 Q2中所用配置的电池平衡? 但是、由于我要使用 的电池是标称电压为3.2V 的 LFP 电池、因此 IC BQ29200的电压为4.2V。 由于 IC BQ29706已经具有过压保护功能、因此该 BQ29200是否可以用于平衡而不使用其过压保护功能?
谢谢!
