主题中讨论的其他器件:UCC21530、、、 UCC27525
OUTA-OUTF 的最大电压电平是多少? 假设它与 VDD (12V)相同。

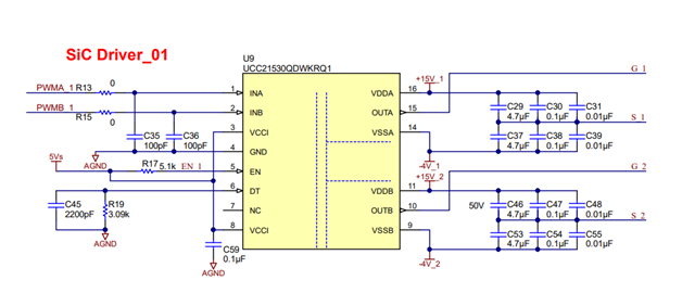
如所示的基准 SCH、 UCC21530 VCCI 的电源 为5V。 和 UCC21530的数据表中允许 INA INB 电平超过 Vcc+0.5V。
我们不想使用额外的电平转换器、将12V OUTA 连接到5V 供电驱动器是否可以接受?
此致
亨利
This thread has been locked.
If you have a related question, please click the "Ask a related question" button in the top right corner. The newly created question will be automatically linked to this question.
OUTA-OUTF 的最大电压电平是多少? 假设它与 VDD (12V)相同。

如所示的基准 SCH、 UCC21530 VCCI 的电源 为5V。 和 UCC21530的数据表中允许 INA INB 电平超过 Vcc+0.5V。
我们不想使用额外的电平转换器、将12V OUTA 连接到5V 供电驱动器是否可以接受?
此致
亨利
您好!
我还发现这个有关如何驱动 GaN FET 的培训演示可能对您有所帮助。
https://www.ti.com/video/series/gan-driver-basics.html
此致、