Other Parts Discussed in Thread: BQ79616-Q1
大家好、
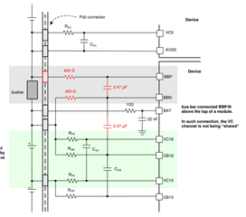
在我们的电路板中、将0.5m Ω 的分流电阻连接到堆叠器件2的接地端与堆叠器件1的 BAT 电压之间的 BQ79616-Q1芯片 BBP & BBN 引脚、如上图所示。 此外、我已启用 LPF 后置 ADC 滤波器@ 6.5Hz
SpiWriteReg (0、ADC_CONF1、0x00、1、FRMWRT_STK_W); //配置用于 VCELL 和 BBP / BBN 测量的后 ADC LPF 截止频率(6.5Hz)
SpiWriteReg (0、ADC_CONF2、0x02、1、FRMWRT_STK_W); //主 ADC 在使能开始转换前延迟(0.2ms)该设置时间
SpiWriteReg (0、ADC_CTRL1、0x1E、1、FRMWRT_STK_W); //仅将 ADC 后的数字 LPF 转换为 BBP/BBN 测量[LPF_BB_EN = 1]
//仅启用 ADC 后的数字 LPF 转换到 VCELL 测量[LPF_VCELL_EN = 1]
//以循环周期连续运行主 ADC [MAIN_GO = 1][MAIN_MODE = 10]
空 Measure_Pack_Current ( 空 )
{
浮点 分流电阻= 0.0005; //负载/拉电流
uint16_t RawData;
SpiReadReg (1、BUSBAR_HI、Response_frame、2、0、 FRMWRT_SGL_R);
RawData =(Response_FRAME[4]<< 8)| Response_FRAME[5];
PackCurrent =(RawData*0.00003052)/shunt;//RawData*VLSB_ADC
}
现在我要测量充电电流、但既未连接负载、也未连接充电器、但我在 busbar_HI 和 busbar_LO 寄存器上获得了一些数据、因此它显示充电电流= 5.249A 而不是0A。
Response_frame[0] 0x01
Response_frame[1] 0x01
Response_frame[2] 0x05
响应帧[3] 0x88
Response_frame[4] 0x00
Response_frame[5] 0x56
RESPONSE_FRAME[6] 0x3C
RESPONSE_FRAME[7] 0xD2
请推荐我。
谢谢。
莫纳古普塔


