请注意,本文内容源自机器翻译,可能存在语法或其它翻译错误,仅供参考。如需获取准确内容,请参阅链接中的英语原文或自行翻译。
器件型号:LMR33630 您好!
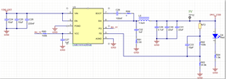
我想使用此降压转换器将12V 电源转换为5V。 我是否需要一个缓冲器电路? 我的原理图是否正确?

此致、
G·阿巴尔卡
This thread has been locked.
If you have a related question, please click the "Ask a related question" button in the top right corner. The newly created question will be automatically linked to this question.
您好!
我想使用此降压转换器将12V 电源转换为5V。 我是否需要一个缓冲器电路? 我的原理图是否正确?

此致、
G·阿巴尔卡