请注意,本文内容源自机器翻译,可能存在语法或其它翻译错误,仅供参考。如需获取准确内容,请参阅链接中的英语原文或自行翻译。
器件型号:TPS7A85 根据数据表、TPS7A85可以使用外部电阻器或内部匹配的 ANY-OUT 反馈电阻器网络来
设置输出电压。
我希望使用 ANY-OUT 引脚来设置输出电压、在以下情况下
1) 1) Vout = 1.01V
2) Vout = 0.925V
请提供一些有关如何配置相同项的信息。
谢谢。
尼基尔
This thread has been locked.
If you have a related question, please click the "Ask a related question" button in the top right corner. The newly created question will be automatically linked to this question.
尊敬的 Nikhil:
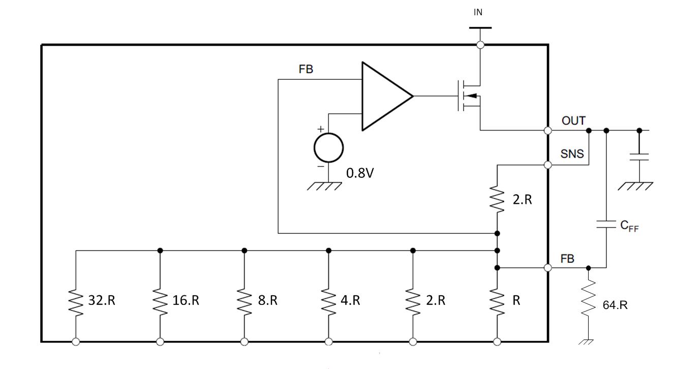
若要提高 TPS7A85的分辨率、可以按以下方式配置器件:

此外、如数据表中所述、您可以将800mV 引脚连接到 SNS 引脚、新的 ANY-OUT 范围为0.8V 至1.175和1.6V 至1.975V
因此、要获得0.925、然后通过将引脚7和引脚5连接到 GND、Vout=0.8V+0.1V+0.025V。
对于1.01、 可以使用以下配置:

通过将外部电阻器更改为128*R 将允许具有12.5mV 的分辨率。 但这允许1.0125V、而不是1.01V 的输出电压轨。
此外、还需要考虑 Vout 的精度。
您还可以参考以下主题以获取更多信息:
(+)如何提高 ANY-OUT 可编程输出电压器件的分辨率-电源管理-技术文章- TI E2E 支持论坛
此致!
埃德加·阿科斯塔