Other Parts Discussed in Thread: TPS92360
请注意,本文内容源自机器翻译,可能存在语法或其它翻译错误,仅供参考。如需获取准确内容,请参阅链接中的英语原文或自行翻译。
器件型号:TPS92360 工具与软件:
您好!
在将 TPS92360用于 LCD 背光的电路板中、当 LCD 和实验室工作台之间存在痕迹时、我就会听到低频噪声。
我将 LCD 的升压转换器设置为挂起状态并进行了一些测量。
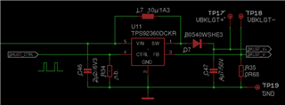
原理图如下所示:

背光在140mA / 10V 下运行。
转换器输入电压为5V。 CTRL 的 PWM 频率为10kHz。
现在、我使用具有接地弹簧、1X 模式和交流耦合的探针进行了一些测量。
分辨率为2mV/div、这意味着2、94mA /div。 这意味着、一个 div 是138mA 背光平均电流的2%。



这话什么意思? 转换器以 CCM (连续导通模式)运行、并且始终存在右半平面零问题。
这是预期结果还是应该实现更好的环路稳定性?
背光转换器还必须通过更强的背光驱动更大的 LCD。 这就是 RFB 为0、68R 的原因。
谢谢你。