主题中讨论的其他器件: TPS55288
工具与软件:
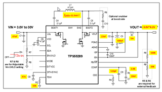
输入电压:3.2V
输出电压:3.4V+-10%
(max):4.2V
I表皮(max)= 8A
VOUT p-p=+-20mV
a.假设使用 Vin 3.3V 转换为 Vout 3.4V 或3.1V、是否仍然需要使用4.7uH 电感? 根据 Excel 计算结果、可使用的最小电感为32.9nH?
b.您能否确认以下电路设置是否正确? 是否有任何建议的修改?

设置:
e2e.ti.com/.../TPS55289_2D00_CALCULATION_2D00_TOOL_2D00_V1.0-_2800_1_2900_.xlsx